EasyManua.ls Logo

GLOW T180 - Page 26

GLOW T180
86 pages
Print Icon
To Next Page IconTo Next Page
To Next Page IconTo Next Page
To Previous Page IconTo Previous Page
To Previous Page IconTo Previous Page
Loading...
Glow T180
Tankless Condensing Water Heater
26
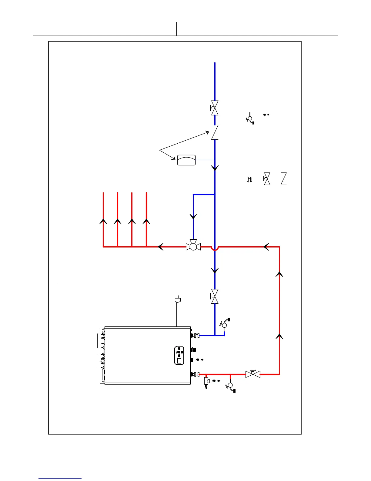
3.4.7 Schematics Of Piping Installation
Domestic water supply
Anti-scald mixing valve
Must be installed
Glow T180 Water Heater
Glow T180 Water Heater (Suitable for combination
water (potable) heating and space heating and not
suitable for space heating only)
Expansion tank required if check
valve used in domestic water
supply (as per local codes)
PRV valve
inletoutlet
gas
120/ 1 /60
Hot Water Outlets
Pipe to drain
Ball Valve
Check Valve
Hose Bib
Union
Figure 3.5