EasyManua.ls Logo

GLOW T180 - Page 27

GLOW T180
86 pages
Print Icon
To Next Page IconTo Next Page
To Next Page IconTo Next Page
To Previous Page IconTo Previous Page
To Previous Page IconTo Previous Page
Loading...
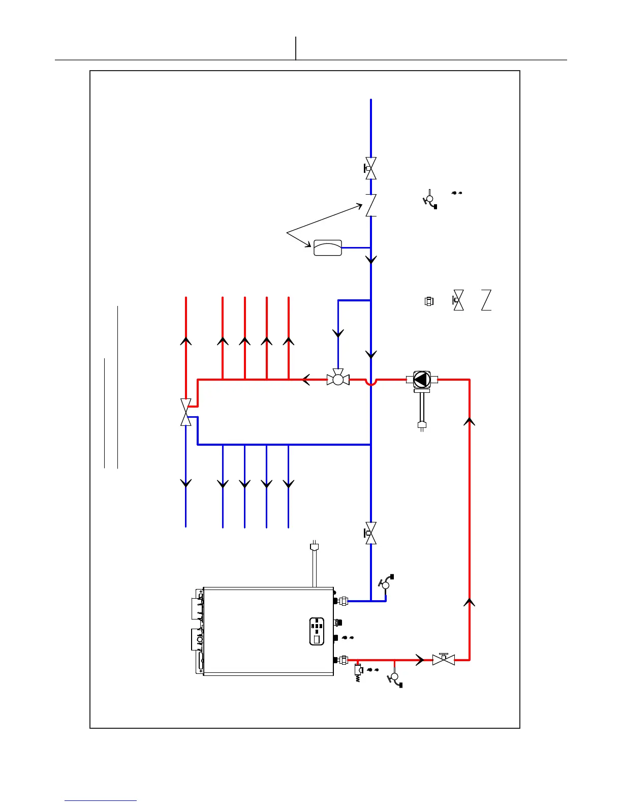
Glow T180
Tankless Condensing Water Heater
27
Domestic water supply
Anti-scald mixing valve
Must be installed
Glow T180 Water Heater
Glow T180 Water Heater (Suitable for
combination water (potable) heating
and space heating and not suitable for
space heating only)
Expansion tank required if check
valve used in domestic water
supply (as per local codes)
PRV valve
inletoutlet
gas
120/ 1 /60
Recirculation Cold Water Return Line
Thermal ByPass Valve (Located at farthest fixture
from appliance)
Instant Hot Water System
Part # 140-103
120/ 1 /60
Hot Water Outlets
Cold Water Outlets
Figure 3.6
Pipe to drain
Ball Valve
Check Valve
Hose Bib
Union