EasyManua.ls Logo

GLOW T180 - Page 28

GLOW T180
86 pages
Print Icon
To Next Page IconTo Next Page
To Next Page IconTo Next Page
To Previous Page IconTo Previous Page
To Previous Page IconTo Previous Page
Loading...
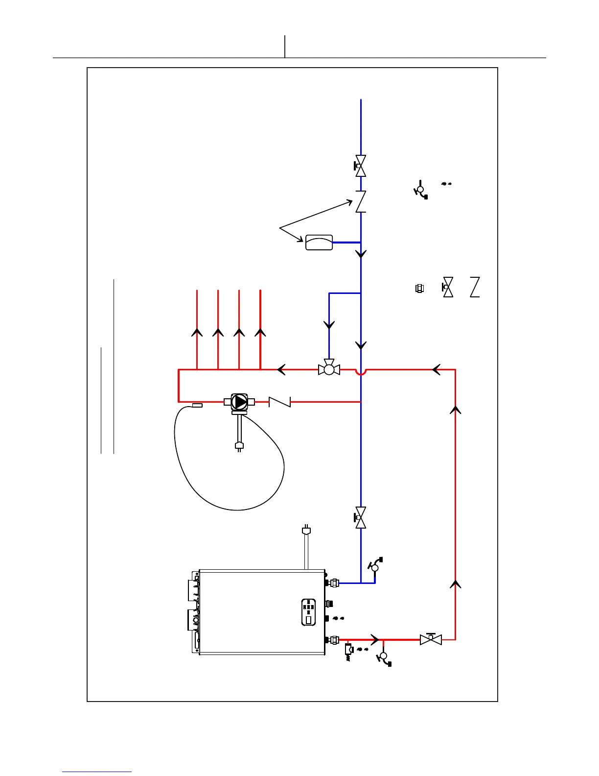
Glow T180
Tankless Condensing Water Heater
28
Must be installed
Domestic water supply
Anti-scald mixing valve
Glow T180 Water Heater
Glow T180 Water Heater
(Suitable for combination
water (potable) heating
and space heating and not
suitable for space heating
only)
Expansion tank required if check
valve used in domestic water
supply (as per local codes)
PRV valve
inletoutlet
gas
120/ 1 /60
Recirculation With Dedicated Return Line
Hot Water Outlets
120/ 1 /60
Aquastat, Part # GLO-180-80
Recirculation Pump,
Part # 140-003
Figure 3.7
Pipe to drain
Ball Valve
Check Valve
Hose Bib
Union