EasyManua.ls Logo

Graco 25M224 - Pressure Control Wiring Diagram

Graco 25M224
44 pages
Print Icon
To Next Page IconTo Next Page
To Next Page IconTo Next Page
To Previous Page IconTo Previous Page
To Previous Page IconTo Previous Page
Loading...
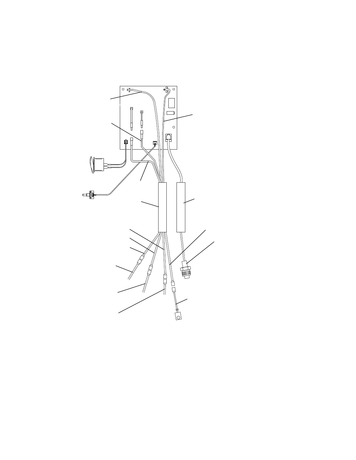
Pressure Control Wiring Diagram
42 3A4587D Operation, Repair, Parts
Pressure Control Wiring Diagram
GROUND
GREEN/YELOW
ON/OFF SWITCH
POTENTIOMETER
CONTROL BOARD
TRANSDUCER
FROM CLUTCH
HOUSING
BLACK
FROM ENGINE
(PINK)
PINK
CLUTCH
RED
CLUTCH
BLACK
66
REF
155
PINK
FROM CLUTCH
HOUSING
RED
BLACK
RED
GREEN/YELLOW
137
REF
ti30126a

Related product manuals