EasyManua.ls Logo

Graco GH 200 - Page 54

Graco GH 200
69 pages
Print Icon
To Next Page IconTo Next Page
To Next Page IconTo Next Page
To Previous Page IconTo Previous Page
To Previous Page IconTo Previous Page
Loading...
DH230/GH™200/230/300 ProContractor
54 334558D
Parts
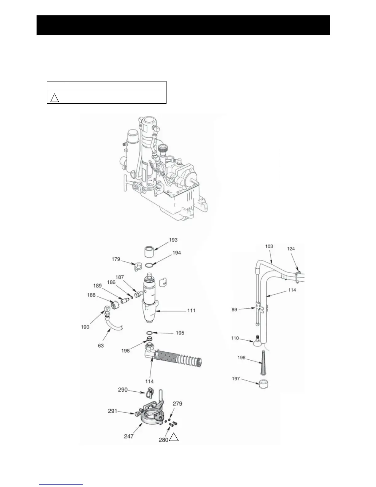
DH230/GH
200/230/300 ProContractor Series
Ref. Torque
90-110 in-lb (10.2 - 12.4 N•m)
1
ti25132a
1

Other manuals for Graco GH 200

Related product manuals