EasyManua.ls Logo

Graco Reactor E-10 - Dimensions

Graco Reactor E-10
74 pages
Print Icon
To Next Page IconTo Next Page
To Next Page IconTo Next Page
To Previous Page IconTo Previous Page
To Previous Page IconTo Previous Page
Loading...
Parts
311075V 69
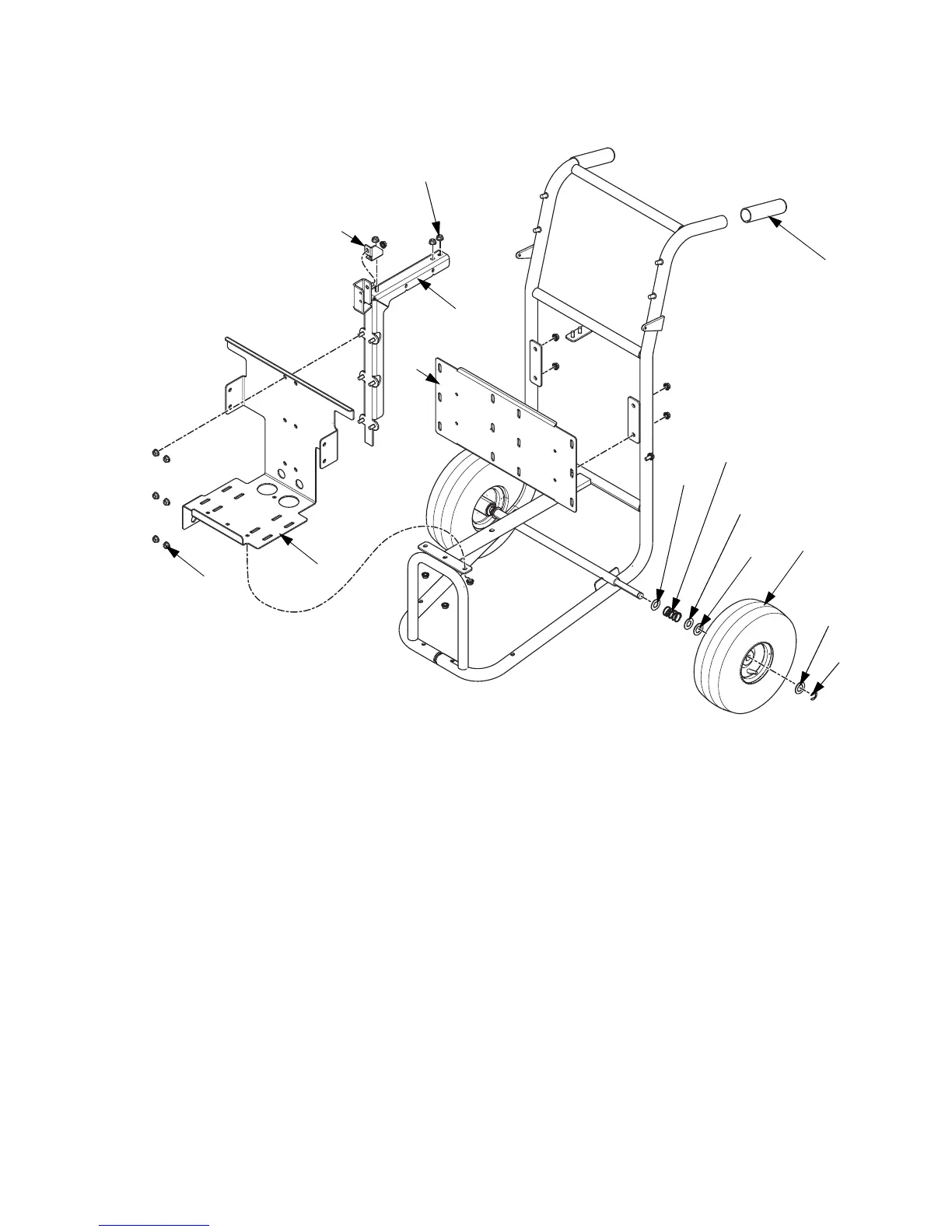
Part No. 249582, Cart
Ref. Part Description Qty
602 154636 WASHER, flat 4
603 116411 SPRING 2
604 116477 WASHER, flat; nylon 4
605 116478 WHEEL, pneumatic 2
606 101242 RING, retaining 2
607 GRIP, handle 2
608 24U760 BRACKET, tank mount 1
609 24U761 BRACKET, crossbar 1
610 24U762 BRACKET, motor mount 1
611 24T150 GUSSET 1
612 110996 NUT, hex, flange head 18
WLD
607
602
603
602
604
605
604
606
610
612
608
612
611
609

Other manuals for Graco Reactor E-10

Related product manuals