EasyManua.ls Logo

GRAPHTEC FC9000-160 - Page 31

GRAPHTEC FC9000-160
227 pages
Print Icon
To Next Page IconTo Next Page
To Next Page IconTo Next Page
To Previous Page IconTo Previous Page
To Previous Page IconTo Previous Page
Loading...
FC9000-UM-251-9370 4-8
4 OPER ATIONS
Default Screen (Continued)
Continued
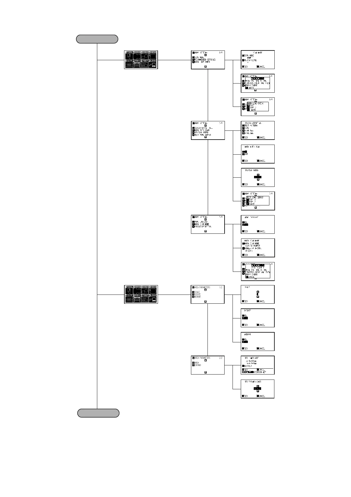
ARMS SETTING
Screen 1/2
ARMS SETTING
Screen 2/3
ARMS SETTING
Screen 3/3
MENU Screen
[PAUSE/MENU] [2] [1]
[2]
[3]
[1]
[2]
[3]
[1]
[2]
[3]
[1]
[2]
[1]
[2]
[3]
[4]
MENU Screen
AREA PARAMETERS
Screen 1/2
AREA PARAMETERS
Screen 2/2
[PAUSE/MENU] [3]

Table of Contents