EasyManua.ls Logo

Gree GMV5E Series - Page 9

Gree GMV5E Series
308 pages
Print Icon
To Next Page IconTo Next Page
To Next Page IconTo Next Page
To Previous Page IconTo Previous Page
To Previous Page IconTo Previous Page
Loading...
GREE GMV5E DC INVERTER VRF UNITS SERVICE MANUAL
5
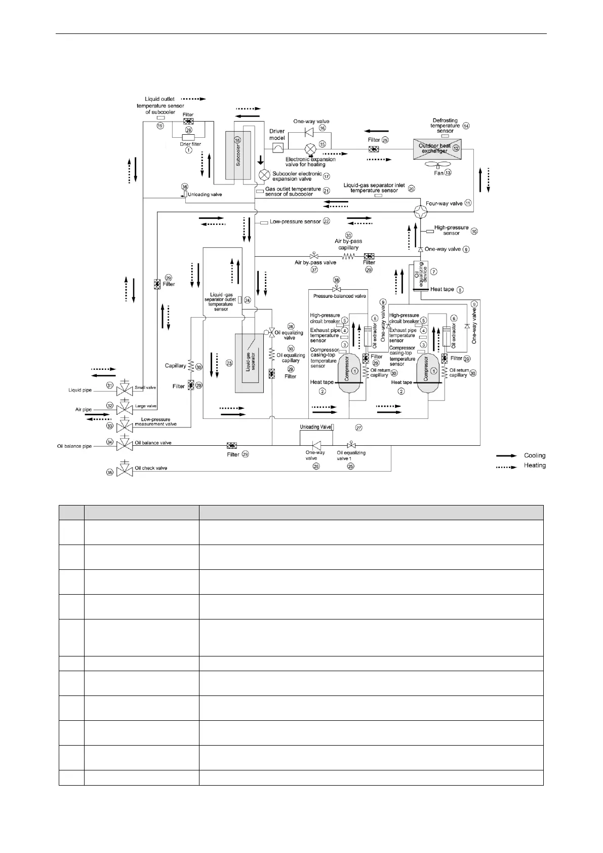
1.3.3 Piping Diagram of GMV-450WM/E-X, GMV-504WM/E-X,
GMV-560WM/E-X and GMV-615WM/E-X
1.3.4 Names and Main Functions of Components
Name
Main Function
Compressor
Adjusts its own rotational speed based on the actual requirement of the system to
implement capacity control.
Compressor heat tape
Maintains a proper oil temperature in the compressor when the compressor is in
standby status, ensuring the reliability during compressor startup.
Compressor casing-top
temperature sensor
Detects a compressor's exhaust gas temperature for compressor control and
protection.
Exhaust pipe temperature
sensor of compressor
Detects a compressor's exhaust gas temperature for compressor control and
protection.
High-pressure circuit
breaker
Protects a compressor by sending feedback signal to stop the system when the
compressor's discharge temperature exceeds the operating value of high-pressure
circuit breaker.
Oil extractor
Separates the gas and oil in the system to ensure compressor reliability.
Oil equalizing device
Equalizes the oil for all modules in the case of excess oil in the current module
when multiple modules are arranged in parallel, thus ensuring the system reliability.
Heat tape of oil equalizing
device
Maintains a proper oil temperature in the compressor when the compressor is in
standby status, ensuring the reliability of compressor startup.
One-way valve
Prevents high-pressure gas from entering the compressor and fast balances the
suction pressure and discharge pressure in a compressor.
High-pressure sensor
Detects the high pressure value in the system in real time mode for compressor
protection and other control functions.
Four-way valve
Used for the switching between the cooling and heating functions of system IDU.

Table of Contents

Related product manuals