EasyManua.ls Logo

Greenlee 555BAT - Control Assembly Schematics

Greenlee 555BAT
48 pages
Print Icon
To Next Page IconTo Next Page
To Next Page IconTo Next Page
To Previous Page IconTo Previous Page
To Previous Page IconTo Previous Page
Loading...
Greenlee Textron / Subsidiary of Textron Inc.
43
4455 Boeing Dr., Rockford, IL 61109-2988 815/397-7070
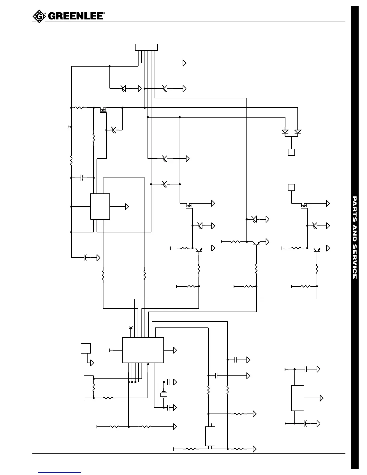
555BAT™ Battery-Powered Bender
Control Assembly (cont’d)
U2
LTC1255
Vss
6
GND
3
GATE 1
2
IN 1
4
GATE 2
7
IN 2
5
DS 1
1
DS 2
8
R1
100
R2
1K
R3
1K
R5
10K
R4
10K
J1
MOLEX 39-28-1043
1
3
2
4
R12
4.7K
R15
4.7K
R18
4.7K
R9
10K
R10
10K
R13
15K
R14
4.7K
R11
4.7K
R16
15K
J2
AMP 350711-1
1
2
3
4
5
6
R19
15K
J3
1
J4
1
R20
10
R21
100K
R17
4.7K
R8
10K
R6
69.8K, 1%
R7
10K, 1%
D6
FEP16BT
1
2
3
U1
PIC16C620
RA2
1
RA3
2
RA4
3
MCLR
4
Vss
5
RB0
6
RB1
7
RB2
8
RB3
9
RB4
10
RB5
11
RB6
12
RB7
13
RA0
17
RA1
18
OSC1
16
OSC2
15
Vdd
14
Y1
1 MHz
Q6
IRF1010N
G
D S
Q5
IRF3205
G
D S
Q4
IRF3205
G
D S
Q1
2N3904
2
13
Q3
2N3904
2
13
Q2
2N3904
2
13
U3
V78L05
VI
3
GND
2
VO
1
D1
1N5242
AC
D3
1N5242
AC
D4
1N5242
AC
D2
1N5242
AC
D5
1N5242
AC
R23
10K
J5
MOLEX 39-28-1023
1
2
D9
1.5KE33A
D8
1.5KE33A
C4
4.7
+
C3
47
+
C6
10
+
C5
.1
C7
.1
C8
.1
.005, 5W
R22
C1
100p
C2
100p
D7
1.5KE33A
AC
Unload Input
Bend Input
Bend Low
Unload Low
Unload High
Bend High
Brake
+24
+5V
+5V
+5V
+5V+24V
+5V
+5V
+5V
+24V
+24V
+24V
+24V
+24V
To Brake
Resistor

Related product manuals