EasyManua.ls Logo

Greenlee 555BAT - Control Assembly

Greenlee 555BAT
48 pages
Print Icon
To Next Page IconTo Next Page
To Next Page IconTo Next Page
To Previous Page IconTo Previous Page
To Previous Page IconTo Previous Page
Loading...
Greenlee Textron / Subsidiary of Textron Inc.
42
4455 Boeing Dr., Rockford, IL 61109-2988 815/397-7070
555BAT™ Battery-Powered Bender
D4
REV 1
D3
D1
D8
D9
PIC16C620
5000183.3
U1
Y1
D5
J3
C1
J5
C2
U2
D2
1
J4
R7
R6
R8
R5R3 R2
R1
43
21
J1
R4
J2
R19
D6
Q4
R23
Q6
R18
R15
GREENLEE TEXTRON
R12
U3
Q1
R16
R11R14
R13
R10
R9
D7
2
Q3
R17
R20
Q2
+
C3
R21
R22
Q5
+
C4
C6
+
C5
C8
C7
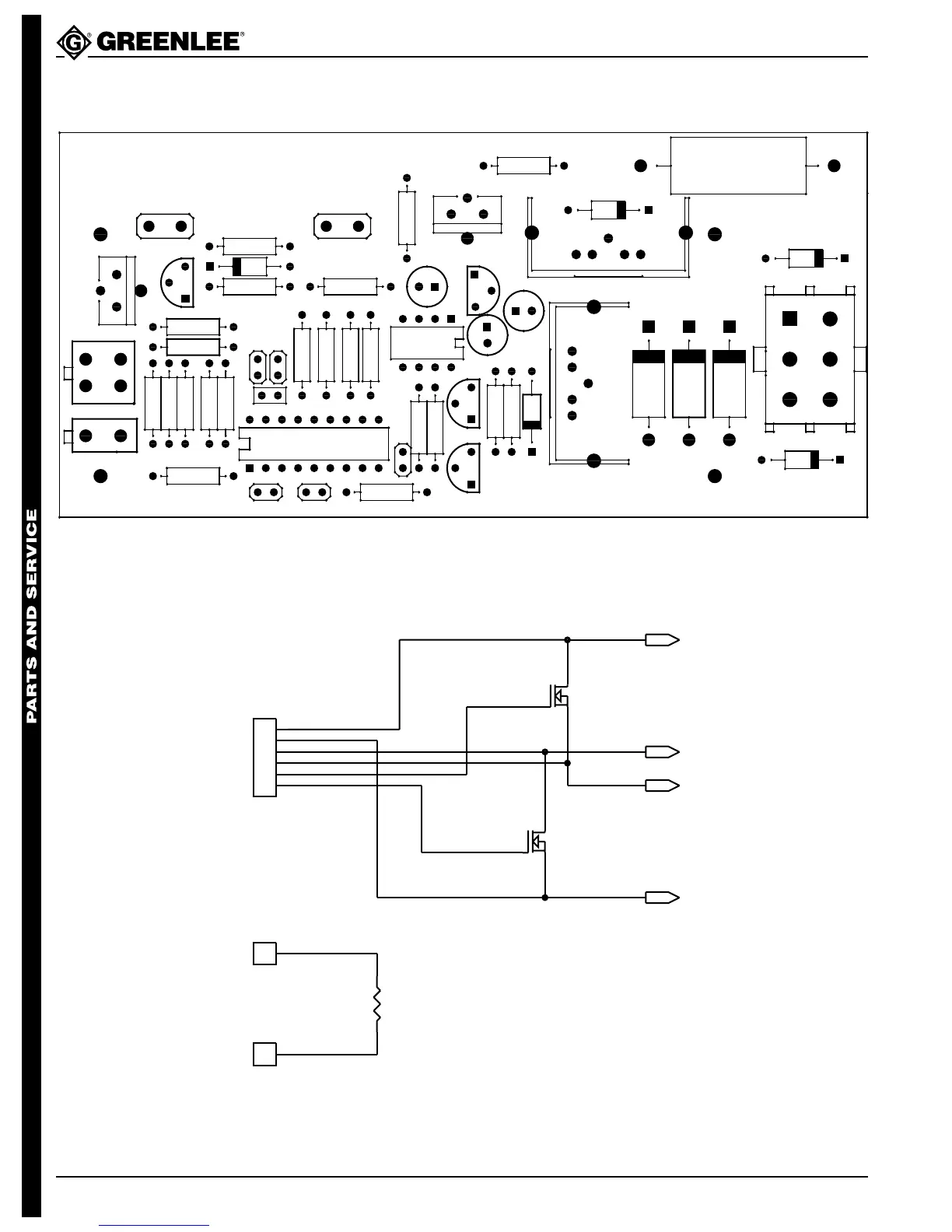
Control Assembly
J101
AMP 350715-1
1
2
3
4
5
6
R101
1 OHM, 50 W
J102
1
J103
1
Q101
IXFN200N07
G
D S
Q102
IXFN200N07
G
D S
MOTOR-WHITE LEAD
MOTOR-BLACK LEAD
BATTERY +24
BATTERY GROUND
RED
BLACK
WHITE
GRAY
YELLOW
BLUE
WHITE
WHITE
To J2 on Printed
Circuit Board
To J3, J4 on Printed
Circuit Board

Related product manuals