EasyManua.ls Logo

Grizzly H2933 - Air System Diagram

Grizzly H2933
106 pages
Print Icon
To Next Page IconTo Next Page
To Next Page IconTo Next Page
To Previous Page IconTo Previous Page
To Previous Page IconTo Previous Page
Loading...
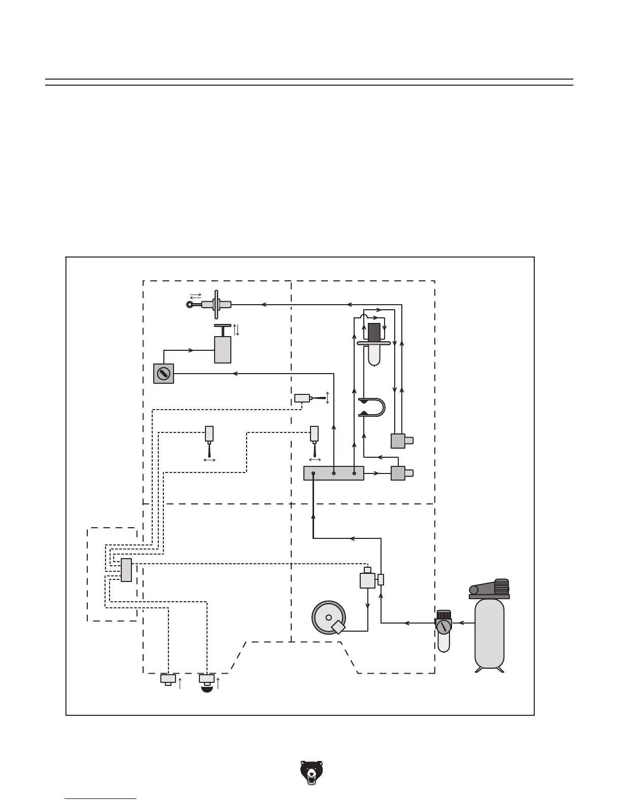
H2933/H2934/G0447/G0581 Wide Belt Sander -39-
I. Oscillation Timing Piston and Diaphragm Assy.
J. Oscillation Speed Control Piston
K. Belt Tension Control Piston
L. Belt Tension Control Switch
M. Emergency Stop Button Switch
N. Emergency Stop Push Brake Switch
O. Left Belt Limit Switch
P. Right Belt Limit Switch
Q. Belt Tension Limit Switch
R. Emergency Brake Contactor
A. Shop Compressor
B. Air Pressure Regulator
C. Emergency Brake Solenoid
D. Emergency Brake
E. Air Distribution Manifold
F. Airflow Adjustment Knob
(Oscillation Timing)
G. Speed Control Adjustment Knob
(Oscillation Speed)
H. Oscillation Controller Air Fork
Air System Diagram
A
B
C
D
E
F
G
I
J
K
L
H
Front
Upper Right Door Access
Lower Right
Access Panel
Power Box
Upper Left Door Access
M
N
P
Q
O
R

Related product manuals