EasyManua.ls Logo

Grizzly H2933 - Table Up;Down 2

Grizzly H2933
106 pages
Print Icon
To Next Page IconTo Next Page
To Next Page IconTo Next Page
To Previous Page IconTo Previous Page
To Previous Page IconTo Previous Page
Loading...
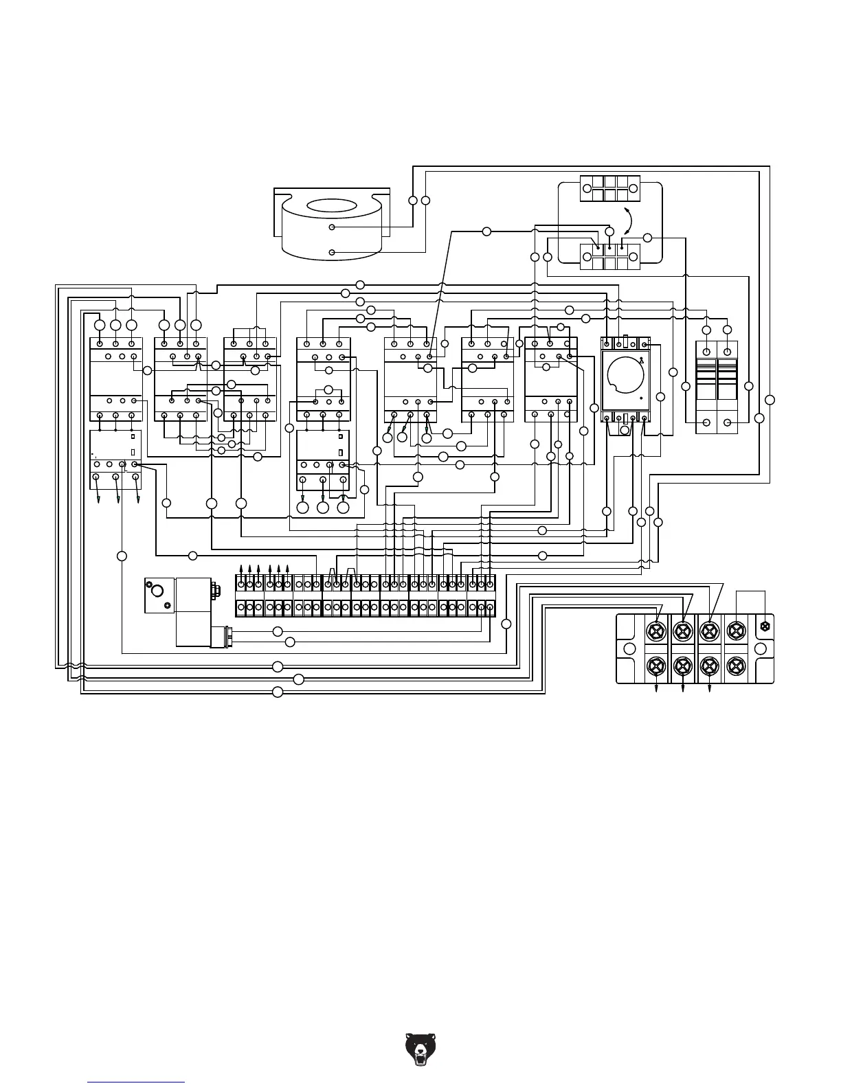
-50- H2933/H2934/G0447/G0581 Wide Belt Sander
L1
L2
2
6
15
14
14
22 A2
T1
T2
T3
2
4
6
NC
NO
26
97
98
95
96
NO
NC
13
21
A1
L
L2
L3
1
3
5
NO NC
9
3
T1
T2
T3
2
4
6
S
R
U2
W2
V2
14
22 A2
T1
T2
T3
2
4
6
NC
NO
14
22 A2
T1
T2
T3
2
4
6
NC
NO
13
21
A1
L
L2
L3
1
3
5
NO NC
13
21
A1
L
L2
L3
1
3
5
NO NC
13
21
A1
L
L2
L3
1
3
5
NO NC
14
22 A2
T1
T2
T3
2
4
6
NC
NO
1
2
23
0
ESR
2 1
2 0
U1 V 1 U2 V2 W2 3
8
3 8
5
4
22 23 9 10 11 12
13 14
L3
T
Y
12
6
7
5
1
3
4
2
8
W1
6 15
20 21
U
V W
97
98
95
96
NO
NC
R
S T
13
21
A1
L
L2
L3
1
3
5
NO NC
14
22 A2
T1
T2
T3
2
4
6
NC
NO
13
21
A1
L
L2
L3
1
3
5
NO NC
14
22 A2
T1
T2
T3
2
4
6
NC
NO
13
21
A1
L
L2
L3
1
3
5
NO NC
14
22 A2
T1
T2
T3
2
4
6
NC
NO
T1
T2
T3
2
4
6
11
20
21
25
R
S
2
8
2
22
2
T
S
R
9
10
U1 V 1 W1
2
1 9
17
1 2
Z
Y
X
1 3
24 24
18
16
24
24
R
S T
19
2
14 15
24
12
14
15
12
11
S
R
T
U2
V2
W2
2
12
3
13
24
24
10
2
3
0V
220V
200V
440V
0VE
0
1
2
3
TABLE
UP/DOWN
CONTACTOR
TABLE
UP/DOWN
CONTACTOR
EMERGENCY
BRAKE CONTACTOR
FUSE FUSE
3
CURRENT SENSOR
TRANSFORMER
SANDING
CONTACTOR
MOTOR
SANDING MOTOR
CONTACTOR
MOTOR
CONTACTOR
CONVEYOR
THERMAL RELAY
MOTOR
START
DELAY
SANDING MOTOR
CONTACTOR
THERMAL RELAY
SOLENOID VALVE
Wiring Box Electrical Diagram (G0581)
220V 3-PH

Related product manuals