EasyManua.ls Logo

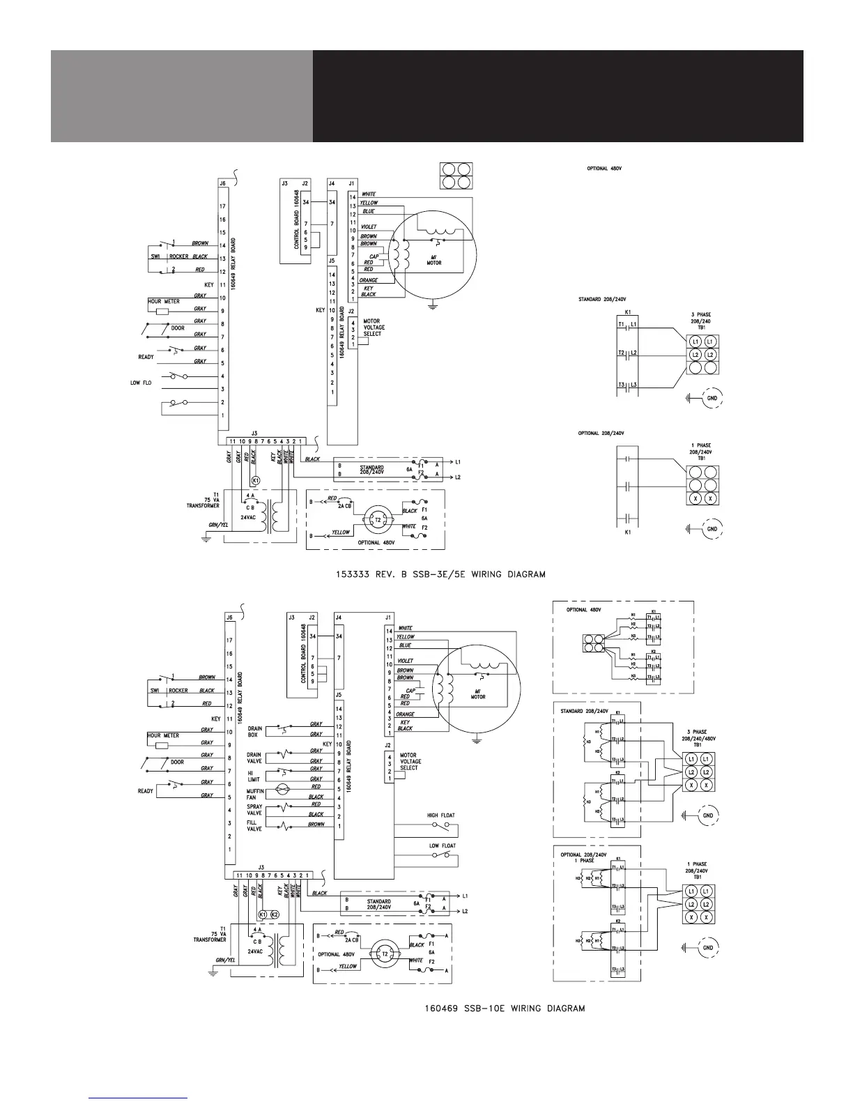
Groen SSB-3E - Wiring Diagram

Groen SSB-3E
11 pages
Print Icon
To Next Page IconTo Next Page
To Next Page IconTo Next Page
To Previous Page IconTo Previous Page
To Previous Page IconTo Previous Page
Loading...
10 OM-SSB-3E/5E/10E & (2)SSB-3E/5E/10E Domestic
Wiring Diagram
CALL FACTORY FOR
REPLACEMENT PARTS:
888-994-7636

Related product manuals