EasyManua.ls Logo

Gtec LibraPro - SWOUT and SWMB Aux - Battery Temperature Sensor

Default Icon
57 pages
Print Icon
To Next Page IconTo Next Page
To Next Page IconTo Next Page
To Previous Page IconTo Previous Page
To Previous Page IconTo Previous Page
Loading...
0MNMPMK10NPENUB 00 Pag. 23 / 57
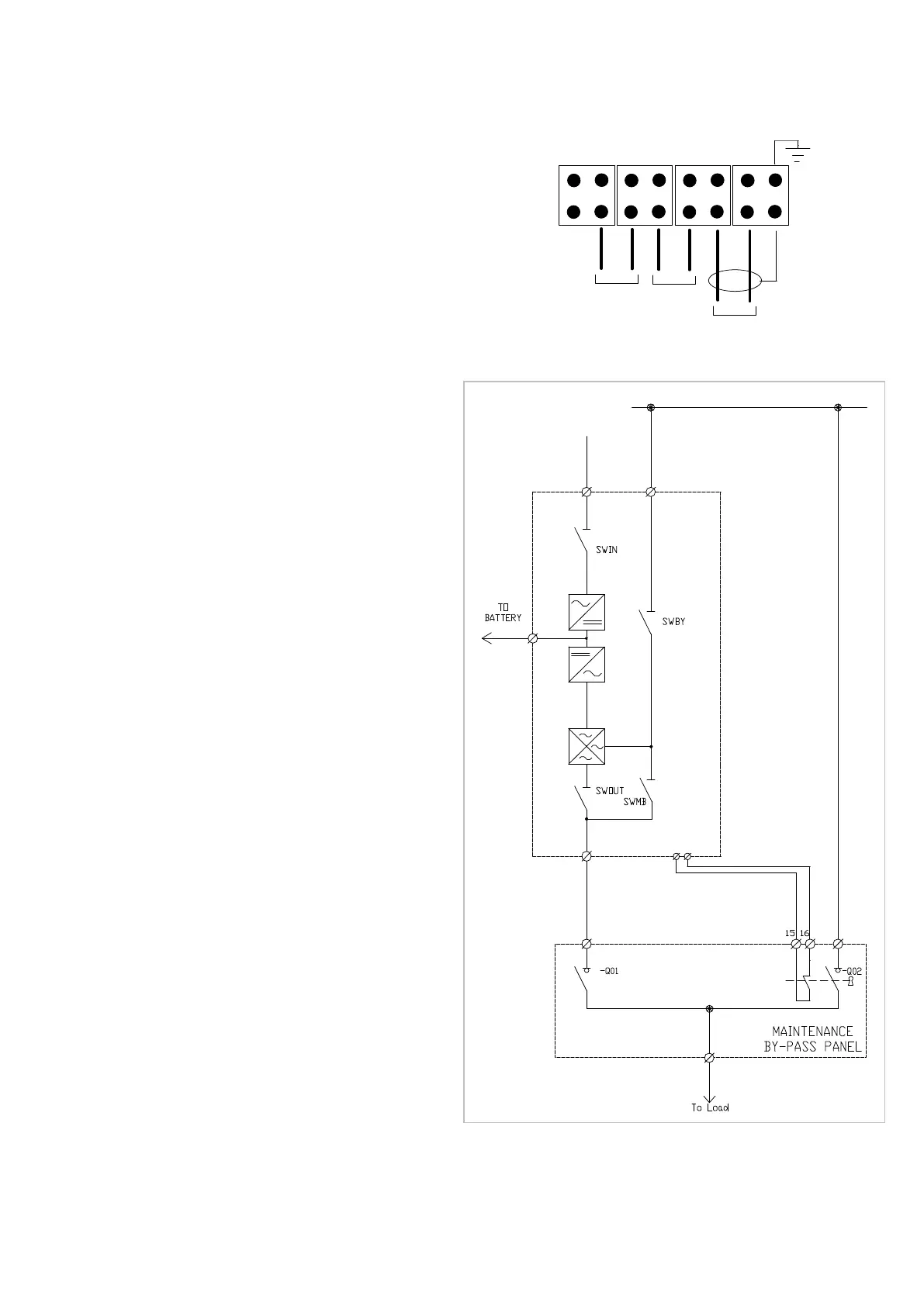
3.4.10 SWOUT and SWMB aux – Battery temperature sensor.
A = connection to external output UPS switch aux.
B = connection to external bypass UPS switch aux
T = external temperature sensor connection.
SWOUT and SWMB aux
Terminals to be used for the connection of the
auxiliary contacts of switches inserted in the UPS
system, see also the section on “Insertion of additional
system sectioning devices” on page 38.
Inserting additional disconnectors to supplement those
already in the UPS means that the whole equipment
can be replaced without interrupting the power supply
to the load.
- Q01 additional output disconnector, Q02 additional
disconnector of the external maintenance by-pass.
The auxiliary contacts Q02 must be connected to
terminals B.
Contact Q02 must be in the opposite position
(auxiliary open with switch closed, vice versa with
switch open)
T
B
- 30 ÷ 80 kVA -
A
B
UPS

Table of Contents

Related product manuals