EasyManua.ls Logo

Gtec LibraPro - External Maintenance By-Pass

Default Icon
57 pages
Print Icon
To Next Page IconTo Next Page
To Next Page IconTo Next Page
To Previous Page IconTo Previous Page
To Previous Page IconTo Previous Page
Loading...
Pag. 38 / 57 0MNMPMK10NPENUB 00
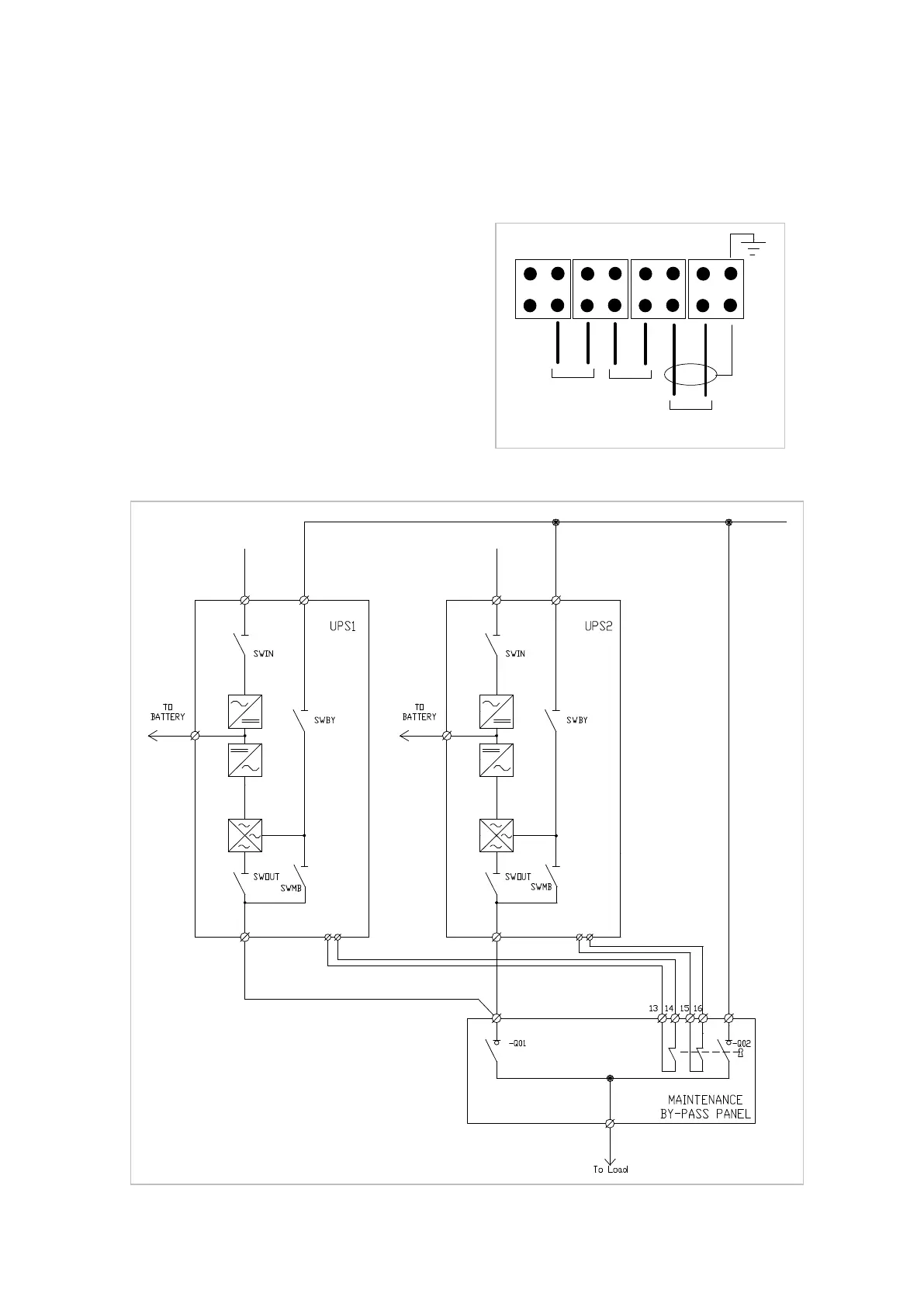
4.2.4 External maintenance by-pass.
In some cases, in order to facilitate maintenance operations of the individual units making up the system, it may be
advisable to install an external maintenance by-pass.
The new disconnector located on the by-pass line (Q2) must be provided with auxiliary contacts (one for each UPS).
The position of the contact is opposite to the position of the switch, thus the contact must be closed when the
disconnector is open.
The contacts of each disconnector must be connected to the corresponding UPS terminals, as shown in the diagram.
T
B
- 30 ÷ 80 kVA -
A
B
B

Table of Contents

Related product manuals