EasyManua.ls Logo

Gtec LibraPro - Block Diagram

Default Icon
57 pages
Print Icon
To Next Page IconTo Next Page
To Next Page IconTo Next Page
To Previous Page IconTo Previous Page
To Previous Page IconTo Previous Page
Loading...
Pag. 32 / 57 0MNMPMK10NPENUB 00
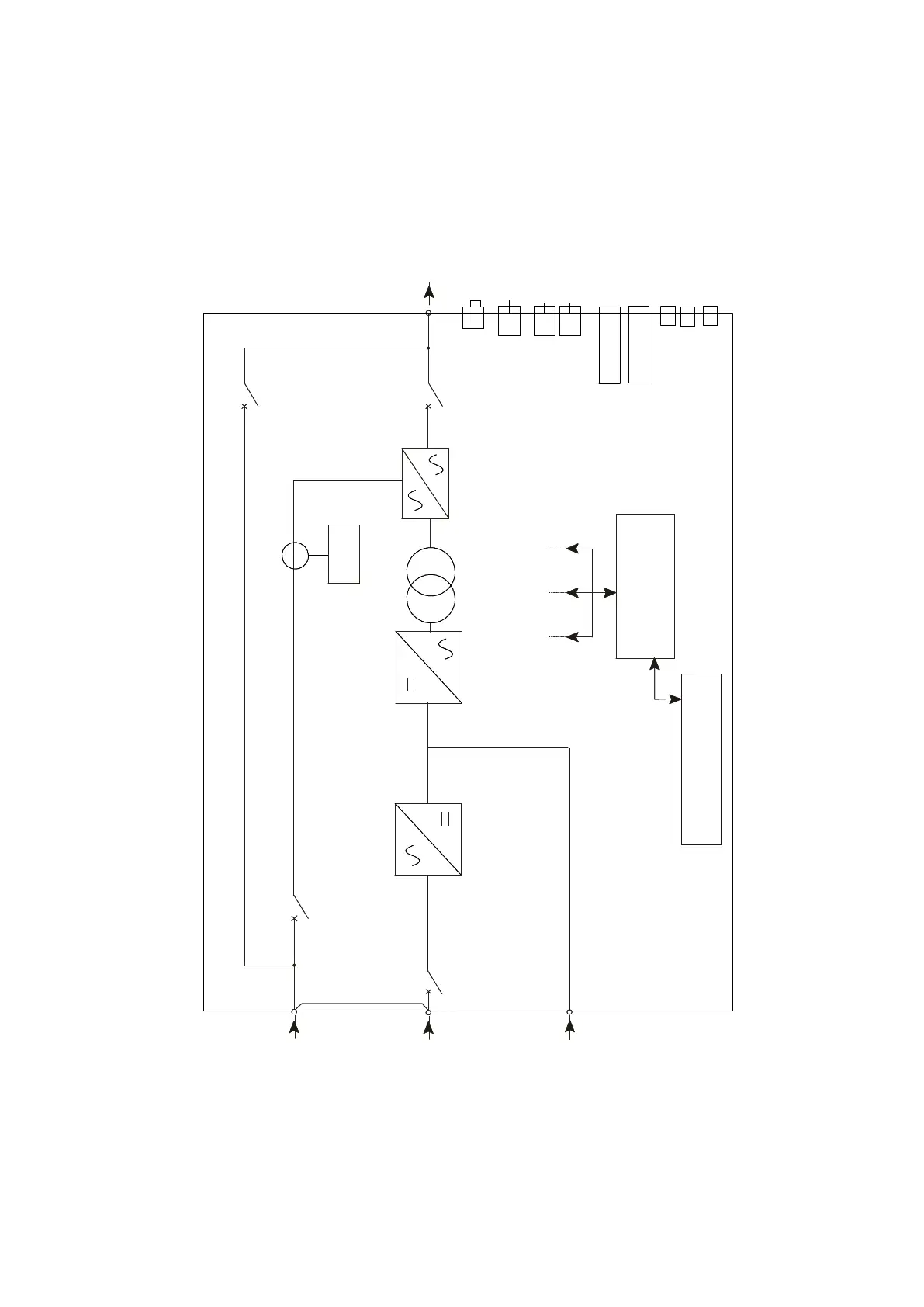
3.10 Block diagram
Input mains
Bypass line input
separate
External Battery
Output
Standard Jumper
on terminal board
SWBY
SWIN
SWMB
SWOUT
Inverter
Static switch
Rectifier
Signallings and command panel
Backfeed
protection
Control circuit with
microprocessor
EPO
Signalling
and alarm remote
RS 232-1 line ----------- for PC
RS 232-2 line ----------- for Modem
DB9 female
DB9 male
1-9
1-9
13
14
1-12
SLOT 1
SLOT 2
aux SWOUT
aux SWMB
optional card
optional card
remove jumper for
by-pass line separate
Input mains
Bypass line input
separate
External Battery
Output
Standard Jumper
on terminal board
SWBY
SWIN
SWMB
SWOUT
Inverter
Static switch
Rectifier
Signallings and command panel
Backfeed
protection
Control circuit with
microprocessor
EPO
Signalling
and alarm remote
RS 232-1 line ----------- for PC
RS 232-2 line ----------- for Modem
DB9 female
DB9 male
1-9
1-9
13
14
1-12
SLOT 1
SLOT 2
aux SWOUT
aux SWMB
batt.temp. sensor
optional card
optional card

Table of Contents

Related product manuals