EasyManua.ls Logo

HANKISON HBP3200

Default Icon
44 pages
To Next Page IconTo Next Page
To Next Page IconTo Next Page
To Previous Page IconTo Previous Page
To Previous Page IconTo Previous Page
Loading...
11
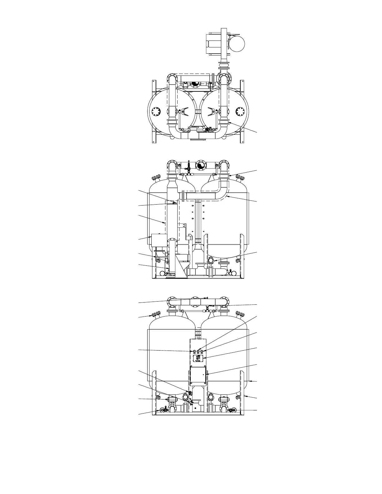
Figure 3b
General Layout Drawing
(Models 3200 through 4300)
TOP VIEW
OUTLET
CHECK VALV
E
ASME RELIEF VALV
E
DESICCANT
FILL PORT
LEFT TOWER
PRESSURE GAUGE
PRESSURE REGULATOR
& PILOT AIR FILTER
DEWPOINTE
R
(OPTIONAL)
TOWER PURGE
EXHAUST VALV
E
FRONT VIEW
TOWER
DEPRESS VALVE
DESICCANT
DRAIN PORT
TOWER INSULATION
(OPTIONAL)
HIGH TENSION
ENCLOSUR
E
CONTROL
ENCLOSUR
E
RIGHT TOWER
PRESSURE GAUGE
PURGE PRESSUR
E
GAUGE
REPRESS
VALV
E
PURGE BLOWER
AND MOTO
R
PURGE BLOWER
THROTTLING VALV
E
PURGE SUCTION
FILTER SILENCER
PURGE HEATER
WITH INSULATION
HEATER
OVERTEMP RT
D
HOT PIPE
INSULATIO
N
PURGE INLET
CHECK VALV
E
TOWE
R
INLET VALV
E
REAR VIEW
HEATER TEMP
THERMOCOUPLE
(CENTER END IN PIPE
)
(OPPOSITE SIDE
)
CHAMBER
BLOW-DOWN
VALV
E

Related product manuals