EasyManua.ls Logo

HANKISON HBP3200

Default Icon
44 pages
To Next Page IconTo Next Page
To Next Page IconTo Next Page
To Previous Page IconTo Previous Page
To Previous Page IconTo Previous Page
Loading...
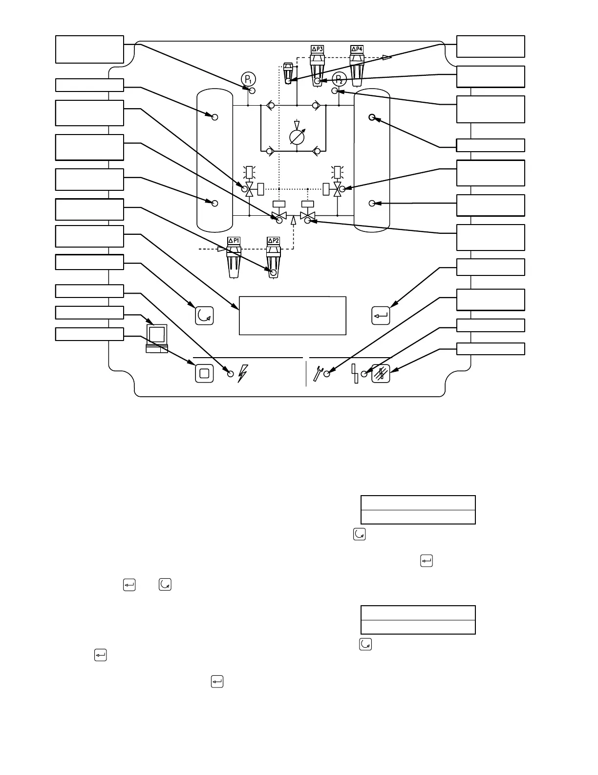
16
Left Tower Drying LED
Left Purge Valve LED
On=valve open
Off=valve closed
Left Inlet Valve LED
On=valve open
Off=valve closed
Left Tower
Heating LED
Filter Service /
Maintenance LED
Vacuum Fluorescent
Text Display
Select switch
Power On LED
Data Display Switch
Communications Icon
Filter Service /
Maintenance LED
Filter Service /
Maintenance LED
Right Tower Pressure
Switch LED:
On=Tower pressurized
Right Tower Drying LED
Right Purge Valve LED
On=valve open
Off=valve closed
Right Tower
Heating LED
Right Inlet Valve LED
On=valve open
Off=valve closed
Enter Switch
Maintenance / Service
Reminder LED
Alarm LED
Reset Switch for Alarm
Left Tower Pressure
Switch LED:
On=Tower Pressurized
RS232
Figure 6
Front Panel Overlay
6.5.3 Front Panel Operation
1. There are five operating modes for the Heated
Desiccant Dryer Control.
a. Program Mode
b. Setup Mode
c. Alarm & Service Mode
d. Display Mode
e. Test Mode
2. Each Mode is described below.
6.5.4 Program Mode
1. Press and hold and for 3 seconds to enter
Program Mode.
2. Program Mode is comprised of the screens that are
described below.
3. There are three (3) ways to exit Program Mode.
a. Press after making the selection in the final
screen.
b. At any screen, press and hold for 3 sec-
onds.
c. The controller automatically exits Program Mode
if no button is pressed within 60 seconds.
4. Upon exiting Program Mode the controller will switch
to Display Mode.
Screen 1: Select the Language
ENGLISH
1. Press to scroll through the choices: ENGLISH,
FRANCAIS and ESPANOL.
2. When finished, press to save the selection and
move to next screen.
Screen 2: Select the Service Level
SERVICE LEVEL
NORMAL
1. Press to toggle between NORMAL and
SEVERE.
a. NORMAL Service Intervals are:
i. 4000 hours for filters
ii. 8000 hours for desiccant
iii. 8000 hours for valves

Related product manuals