EasyManua.ls Logo

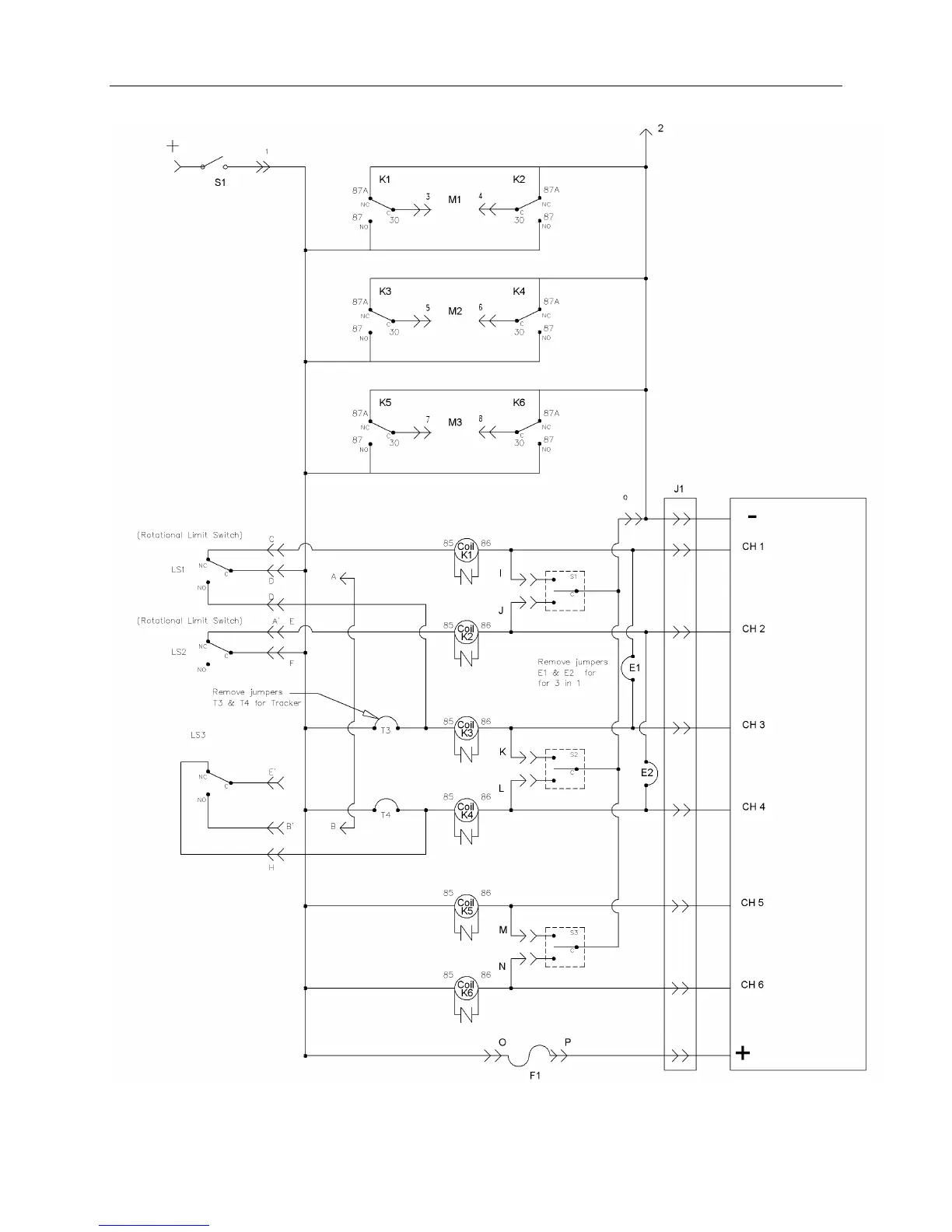
Harmar Mobility AL625 - Electronic Control Box Wiring Diagram

Harmar Mobility AL625
25 pages
Print Icon
To Next Page IconTo Next Page
To Next Page IconTo Next Page
To Previous Page IconTo Previous Page
To Previous Page IconTo Previous Page
Loading...
AL625 Page 23
REV: 1-24-12
ELECTRONIC CONTROL BOX WIRING DIAGRAM

Related product manuals