EasyManua.ls Logo

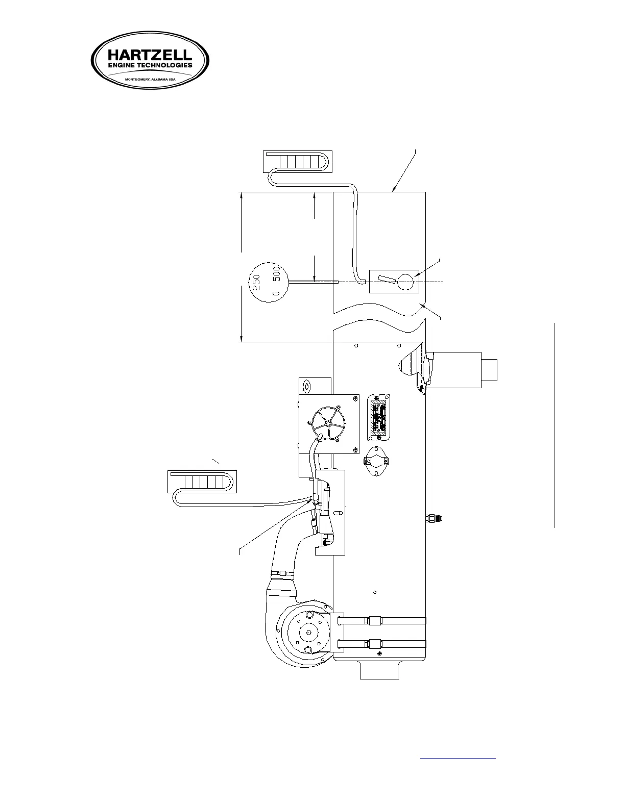
Hartzell CD15K - FIGURE 30: TYPICAL TEST SETUP

Hartzell CD15K
56 pages
Print Icon
To Next Page IconTo Next Page
To Next Page IconTo Next Page
To Previous Page IconTo Previous Page
To Previous Page IconTo Previous Page
Loading...
2900 Selma Highway, Montgomery AL 36108 USA
PH: +1.334.386.5400 (option 2) FAX: +1.334.386.5450 WEB: www.hartzell.aero
Page | 51
MM10001
Dated 1/1/08
Rev L dated 5/21/15
COMBUSTION
AIR BLOWER
"T" WITH 1/8"
BLEED HOLE
VENTILATING
AIR MANOMETER
24" MIN
6"
APPROX
THERMOSTAT
DUCT SWITCH
THERMOMETER
DUCT
MINIMUM
1" OF
WATER
2.25"
ORIFICE
EXHAUST
COMBUSTION
AIR MANOMETER
MINIMUM
1
1
2
" OF
WATER
FIGURE 30: TYPICAL TEST SETUP

Table of Contents