EasyManua.ls Logo

Harvia PC90XE - Сопротивление Изоляции Электрокаменки; Установка Температурного Датчика; Elektrikerise Isolatsioonitakistus; Temperatuurianduri Paigaldamine

Harvia PC90XE
80 pages
Print Icon
To Next Page IconTo Next Page
To Next Page IconTo Next Page
To Previous Page IconTo Previous Page
To Previous Page IconTo Previous Page
Loading...
RU ET
55
Если соединительный или монтажный кабель
подходят к сауне, или сквозь стены сауны, на
высоте более 500 мм, они должны выдерживать
при полной нагрузке температуру 170 °С. Прибо-
ры, устанавливаемые на высоте более 500 мм от
уровня пола сауны, должны быть пригодными для
использования при температуре 125 °С (маркиров-
ка Т125).
Кроме клемм питания каменки оснащены также
клеммой (P), которая делает возможным управ-
ление электрическим нагревом (рис. 7). Управля-
ющее напряжение передается от каменки, когда
она включена. Кабель управления электронагре-
вом подводят прямо к соединительной коробке
каменки и дальше с помощью резинового кабеля,
равного по сечению соединительному кабелю, к
клеммнику.
3.3.1. Сопротивление изоляции электрокаменки
При проводимом во время заключительной проверки
электромонтажа каменки измерении сопротивления
изоляции может быть выявлена «утечка», что проис-
ходит благодаря впитыванию атмосферной влаги в
изоляционный материал нагревательных элементов
(транспортировка, складирование). Влага испарится в
среднем после двух нагреваний каменки.
Не подключайте подачу питания электро
-
каменки через устройства защитного отклю-
чения.
3.3.2. Установка температурного датчика
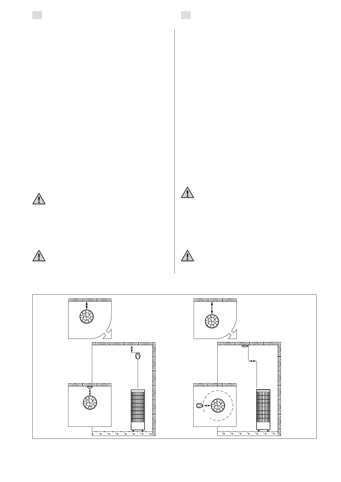
Установите датчик на стену сауны, как показано на рис.
8. При установке каменки от стены далее, чем 100 мм,
датчик должен быть установлен на потолке.
Не размещайте вентиляционную отдушку
сауны возле датчика температуры. Поток
воздуха вблизи датчика охлаждает датчик и приводит
к неточности показаний устройства управления. В ре-
Kui ühendus- ja paigalduskaablid on kõrgemal
kui 1 000 mm leiliruumi põrandast või leiliruumi
seinte sees, peavad nad koormuse all taluma
vähemalt 170 °C (näiteks SSJ). Põrandast
kõrgemale kui 1 000 mm paigaldatud elektri-
seadmestik peab olema lubatud kasutamiseks
temperatuuril 125 °C (markeering T125).
Peale vooluvarustuse ühendusklemmide on
kerised varustatud ühendusega (P), mis võimal-
dab kütmist juhtida (joonis 7). Sisselülitamisel
antakse toitepinge juhtimine keriselt edasi.
Kütmise juhtimise kaabel on toodud otse kerise
ühenduskarpi ning sealt kerise terminaaliblok-
ki piki sama jämedusega kummiisolatsiooniga
kaablit, mis ühenduskaabelgi.
3.3.1. Elektrikerise isolatsioonitakistus
Elektripaigaldise lõplikul kontrollimisel võib kerise
isolatsioonitakistuse mõõtmisel avastada “lekke”.
Selle põhuseks on, et kütteelementide isolatsiooni-
materjal on imanud endasse õhust niiskust (säili-
tamine, transport). Pärast kerise paari kasutust see
niiskus kaob.
Ära lülita kerist vooluvõrku läbi lekkevoolukait-
se!
3.3.2. Temperatuurianduri paigaldamine
Paigaldage andur sauna seinale, nagu näidatud joo-
nisel 8. Kui keris paigaldatakse seinast kaugemale
kui 100 mm, peab anduri paigutama leiliruumi lakke.
Ärge paigaldage saunaruumi õhu juurdevoolu
temperatuurianduri lähedusse. Õhuvool venti-
latsiooniava lähedal jahutab andurit, mis annab juh-
timiskeskusele ebatäpseid temperatuuri näitusid.
Рисунок 8. Установка датчиков (все размеры приведены в миллиметрах)
Joonis 8. Anduri paigaldamine (kõik mõõtmed millimeetrites)
100
100
PCXE / PCXW
100
100
100
100
PCXE / PCXW
>

Table of Contents

Related product manuals