EasyManua.ls Logo

HATTAT A110 - Periodic Maintenance; General Periodic Maintenance; Air Filter Maintenance

Default Icon
103 pages
Print Icon
To Next Page IconTo Next Page
To Next Page IconTo Next Page
To Previous Page IconTo Previous Page
To Previous Page IconTo Previous Page
Loading...
47
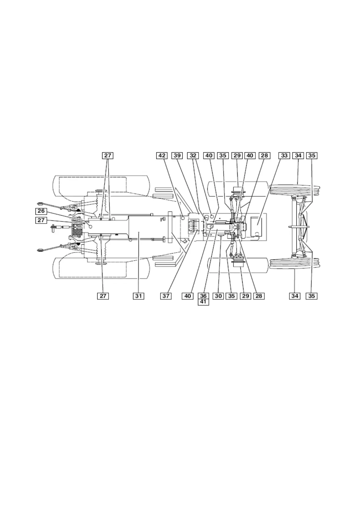
7.2.2.4. Every 1000 hours/yearly
25. Change oil hydraulic system
26. Change oil in power transmission
27. Change oil in differential, 4 wheel drive
28. Change oil in hub reduction gears, 4 wheel drive
29. Change hydraulic suction filter (if)
30. Clean fuel tank
31. Change pre-filter and fuel filter of fuel system
32. Change air filter and safety filter
33. Lubricate front wheel bearings, 2 āˆ’ wheel drive
34. Check and adjust toe āˆ’ in of front wheels
35. Change cab air filter
36. Tighten bolts and nuts of frame
37. Grease flywheel ring gear
7.2.2.5. Every 2000 hours/every other
year
38. Clean coolant system
39. Check and clean injectors
40. Change brake fluid
NOTE: When carrying out servicing you must follow
the service intervals, i.e., you must also do all
previously mentioned items. For example, when
doing 2000 hours service you must also do the
servicing required at 1000, 500, weekly and daily.

Table of Contents

Other manuals for HATTAT A110

Related product manuals