EasyManua.ls Logo

HBM T40B - Page 180

HBM T40B
208 pages
Print Icon
To Next Page IconTo Next Page
To Next Page IconTo Next Page
To Previous Page IconTo Previous Page
To Previous Page IconTo Previous Page
Loading...
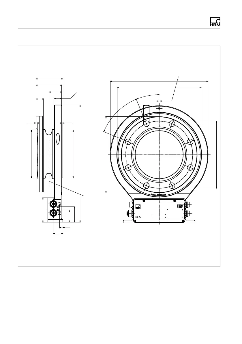
Dimensions | Abmessungen
102 A3452-10.0 T40B
C12
196
36
71
28
35
45
10
342
3,5
139,986
139,968
140 g5
4,2
140,025
140,000
140 H6
22
75
22
79
222
22,5°
8x45° =
360°
45°
17
5,2
286
246
(
)
(
)
Dimensions in mm (1 mm = 0.03937 inches) | Abmessungen in mm
Schwerpunkt
Zur Axialsicherung
Entspricht Statorring, wie
Messkörperflansch
(Einschraubtiefe)
Ausbruch Innenzentrierung
im Schnitt A-A
Corr. to stator ring and meas.
body flange (thread reach)
For axial locking
Center of gravity
Cutaway of internal centering
in section A-A

Table of Contents

Related product manuals