EasyManua.ls Logo

HBM T40B - T40 B 10 Knm, Option 7, Code U

HBM T40B
208 pages
Print Icon
To Next Page IconTo Next Page
To Next Page IconTo Next Page
To Previous Page IconTo Previous Page
To Previous Page IconTo Previous Page
Loading...
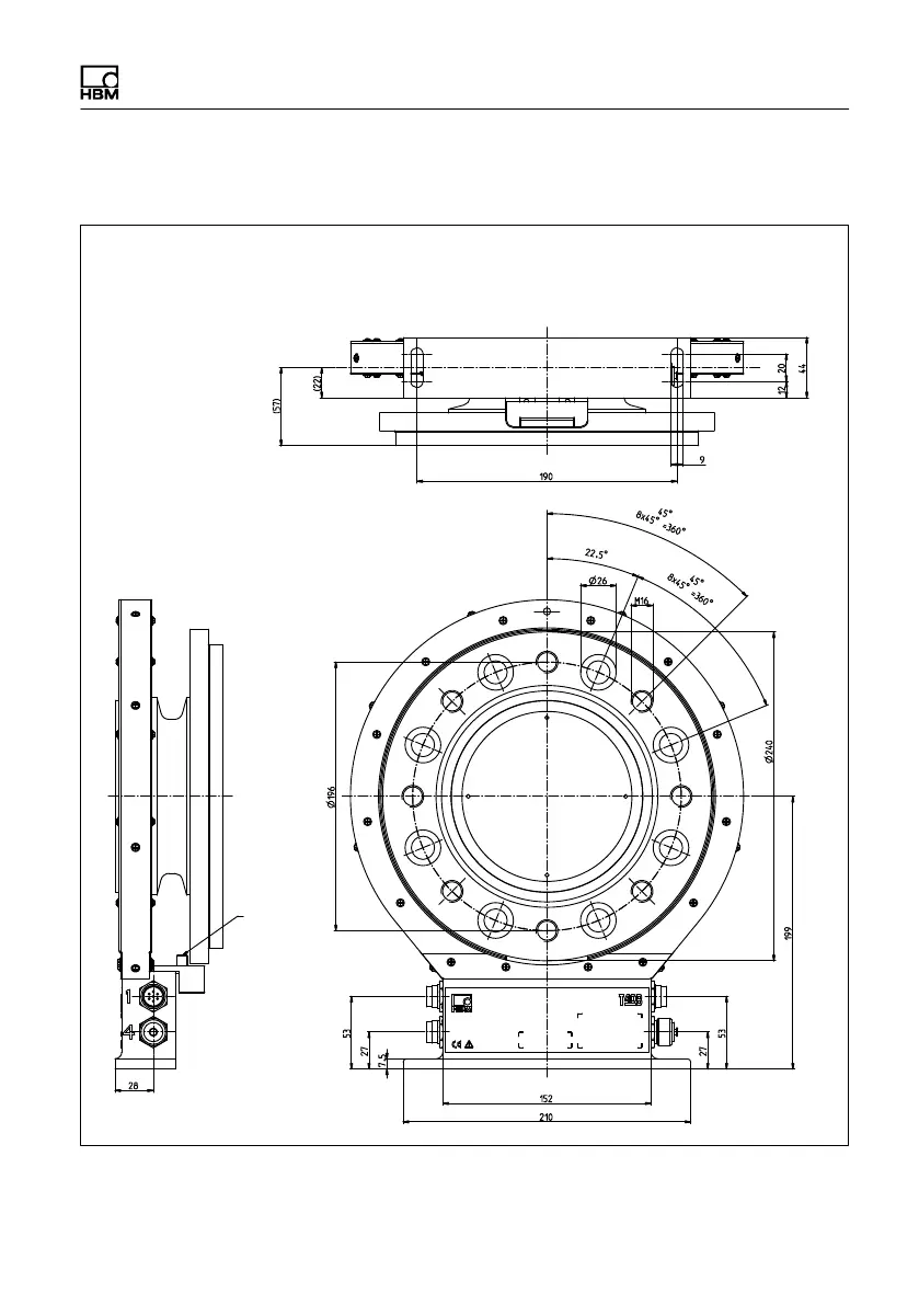
Dimensions | Abmessungen
T40B A3452-10.0 127
15.2.12T40B 10 kNm, Option 7, Code U
Dimensions in mm (1 mm = 0.03937 inches) | Abmessungen in mm
Screw head height (Shielding plates) = 2.5 mm |
Schraubenkopfhöhe (Abschirmungsplatten) = 2,5 mm
Montagemaß
Mounting
dimensions
Only
Option 6,
Code A
Nur
Option 6,
Code A

Table of Contents

Related product manuals