EasyManua.ls Logo

HBM T40B - Page 182

HBM T40B
208 pages
Print Icon
To Next Page IconTo Next Page
To Next Page IconTo Next Page
To Previous Page IconTo Previous Page
To Previous Page IconTo Previous Page
Loading...
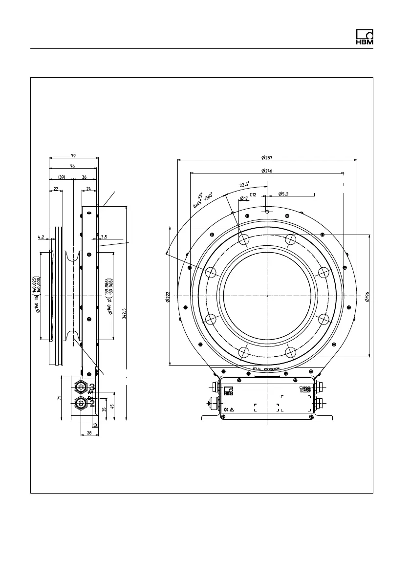
Dimensions | Abmessungen
104 A3452-10.0 T40B
Dimensions in mm (1 mm = 0.03937 inches) | Abmessungen in mm
Screw head height (Shielding plates) = 2.5 mm |
Schraubenkopfhöhe (Abschirmungsplatten) = 2,5 mm
Ausbruch Innenzentrierung
im Schnitt A-A
Cutaway of internal centering
in section A-A
Corr. to stator ring and meas. body flange see
Option 7, Code S
Entspricht Stator
ring, wie Mess
körperflansch
siehe Option 7,
Code S
Zur Axialsicherung
For axial locking
Schwerpunkt
Center of gravity
External
centering
Außen
zentrierung

Table of Contents

Related product manuals