EasyManua.ls Logo

Heatline CaprizPlus 28 - 10.7 Wiring Diagram

Default Icon
52 pages
Print Icon
To Next Page IconTo Next Page
To Next Page IconTo Next Page
To Previous Page IconTo Previous Page
To Previous Page IconTo Previous Page
Loading...
- 20 -
Service Call 0844 736 9138, Technical Help (Chargeable) Call 0906 802 0253
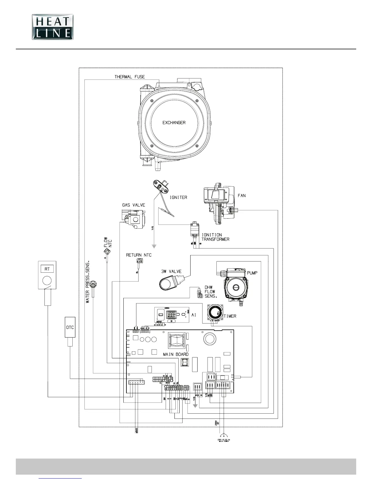
10.7 Wiring diagram
DESCRIPTION
B : BLACK
BR : BROWN
R : RED
Y/G : YELLOW/GREEN
BL : BLUE
G : GREEN
GY : GREY
W : WHITE
P : PINK
O : ORANGE
PP : PURPLE
Y : YELLOW

Table of Contents

Related product manuals