EasyManua.ls Logo

Holtek HT46R47 - Page 41

Holtek HT46R47
162 pages
Print Icon
To Next Page IconTo Next Page
To Next Page IconTo Next Page
To Previous Page IconTo Previous Page
To Previous Page IconTo Previous Page
Loading...
32
A/D Type MCU
V
D D
P F D o r P W M W a v e f o r m
M
U
X
R e a d D a t a R e g i s t e r
D
Q
C K
S
D
Q
C K
Q
S
C o n t r o l B i t
P u l l - H i g h O p t i o n
D a t a B u s
W r i t e C o n t r o l R e g i s t e r
C h i p R e s e t
R e a d C o n t r o l R e g i s t e r
W r i t e D a t a R e g i s t e r
D a t a B i t
Q
P F D / P W M O p t i o n
P A 3 / P F D
P D 0 / P W M 0
P D 1 / P W M 1
P D 2 / P W M 2
P D 3 / P W M 3
P D 1 / P W M 1 / T M R 1
( H T 4 6 R 2 4 / H T 4 6 C 2 4
2 8 - p i n p a c k a g e o n l y )
M
U
X
T M R 1
( H T 4 6 R 2 4 / H T 4 6 C 2 4
2 8 - p i n p a c k a g e o n l y )
W e a k
P u l l - u p
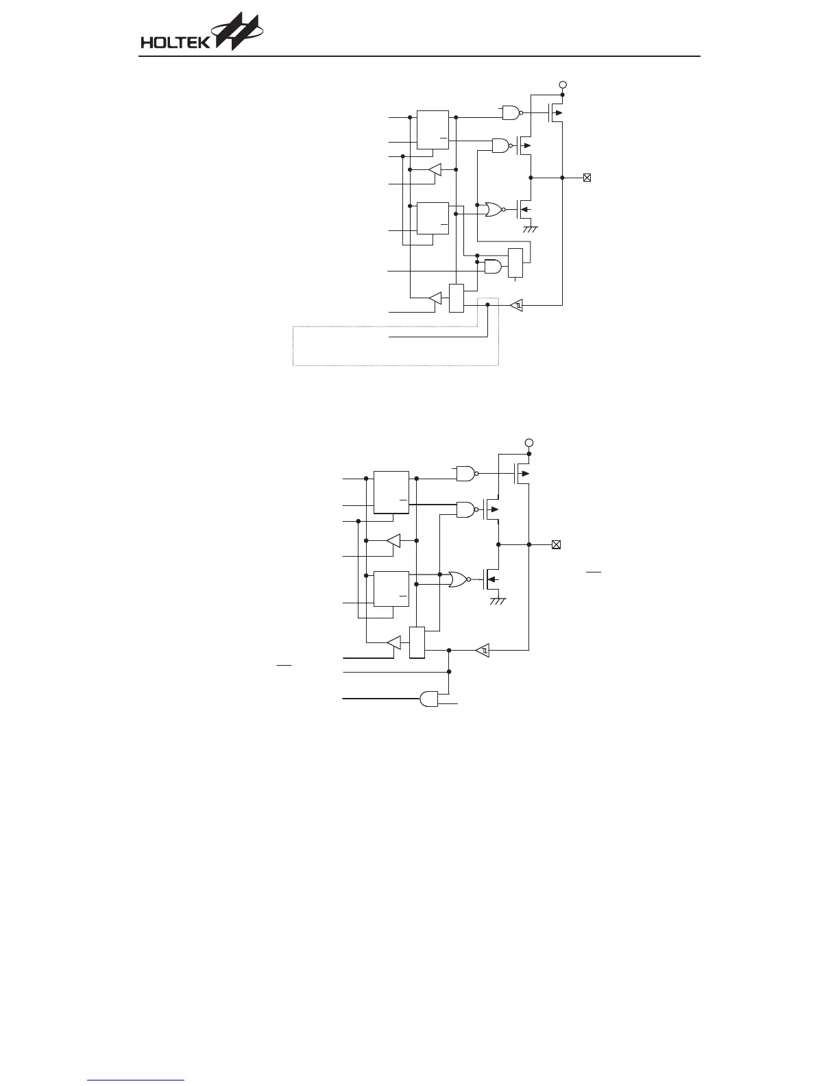
PA3/PFD and PD0/PWM0~PD3/PWM3 Input/Output Ports
V
D D
M
U
X
R e a d D a t a R e g i s t e r
D
Q
C K
S
D
Q
C K
S
C o n t r o l B i t
P u l l - H i g h O p t i o n
D a t a B u s
W r i t e C o n t r o l R e g i s t e r
C h i p R e s e t
R e a d C o n t r o l R e g i s t e r
W r i t e D a t a R e g i s t e r
D a t a B i t
I N T ( P A 5 o n l y )
T M R ( P A 4 o n l y )
P A 4 / T M R
( e x c e p t H T 4 6 R 2 4 / H T 4 6 C 2 4 )
P A 5 / I N T
Q
Q
W a k e - u p O p t i o n
S y s t e m W a k e - u p
W e a k
P u l l - u p
PA4/PA5 Input/Output Ports

Table of Contents