EasyManua.ls Logo

Holtek HT46R47 - Page 42

Holtek HT46R47
162 pages
Print Icon
To Next Page IconTo Next Page
To Next Page IconTo Next Page
To Previous Page IconTo Previous Page
To Previous Page IconTo Previous Page
Loading...
Chapter 1 Hardware Structure
33
V
D D
M
U
X
R e a d D a t a R e g i s t e r
D
Q
C K
S
D
Q
C K
Q
S
C o n t r o l B i t
P u l l - H i g h O p t i o n
D a t a B u s
W r i t e C o n t r o l R e g i s t e r
C h i p R e s e t
R e a d C o n t r o l R e g i s t e r
W r i t e D a t a R e g i s t e r
D a t a B i t
Q
I
2
C C o n f i g u r a t i o n O p t i o n
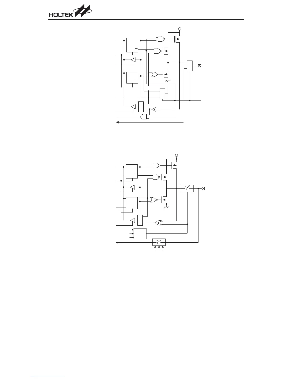
P A 6 / S D A , P A 7 / S C L
( e x c e p t H T 4 6 R 4 7 / H T 4 6 C 4 7 )
M
U
X
T o I
2
C C i r c u i t
T o I
2
C C i r c u i t
M
U
X
W a k e - u p O p t i o n
S y s t e m W a k e - u p
W e a k
P u l l - u p
PA6/SDA, PA7/SCL Input/Output Ports
V
D D
M
U
X
R e a d D a t a R e g i s t e r
D
Q
C K
S
D
Q
C K
S
C o n t r o l B i t
P u l l - H i g h O p t i o n
D a t a B u s
W r i t e C o n t r o l R e g i s t e r
C h i p R e s e t
R e a d C o n t r o l R e g i s t e r
W r i t e D a t a R e g i s t e r
D a t a B i t
P B 0 / A N 0 ~ P B 7 / A N 7
( H T 4 6 R 4 7 / H T 4 6 C 4 7 w i t h
P B 0 / A N 0 ~ P B 3 / A N 3 o n l y )
Q
Q
A C S 2 ~ A C S 0
T o A / D C o n v e r t e r
A n a l o g
I n p u t
S e l e c t o r
P C R 2
P C R 1
P C R 0
W e a k
P u l l - u p
PB Input/Output Ports

Table of Contents