EasyManua.ls Logo

Holzmann ED 750FDQ - Page 60

Holzmann ED 750FDQ
Print Icon
To Next Page IconTo Next Page
To Next Page IconTo Next Page
To Previous Page IconTo Previous Page
To Previous Page IconTo Previous Page
Loading...
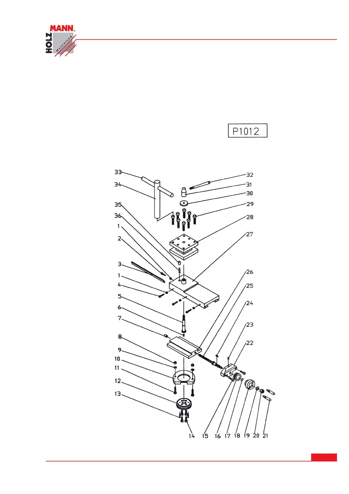
ERSATZTEI LE / SPARE PARTS
HOLZMANN Maschinen Austria www.holzmann-maschinen.at
Seit e 6 0
Metalldrehmaschine / metal turning lathe ED 750 FDQ
42---------------P101127------------------------------------------------------------------------GIB
43---------------GB101116-----------------------------------------------------------HEX NUT M5
44---------------GB101117-----------------------------------------------------SET SCREW M5x25
45---------------P101128-------------------------------------------------------------CROSS SLIDE
46---------------P101129-----------------------------------------------------------------WASHER
47---------------P101130-------------------------------------------------------------------SADDLE
48---------------GB101118------------------------------------------------------CAP SCREW M3x6

Table of Contents

Related product manuals