EasyManua.ls Logo

Holzstar TF 50 E - Electrical Circuit Diagram

Default Icon
24 pages
Print Icon
To Next Page IconTo Next Page
To Next Page IconTo Next Page
To Previous Page IconTo Previous Page
To Previous Page IconTo Previous Page
Loading...
22 TF 50 E | Version 1.05
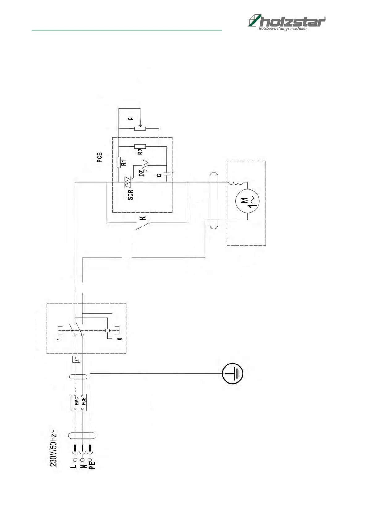
Electrical circuit diagram
15 Electrical circuit diagram
Fig. 21: Electrical circuit diagram TF 50 E
Speed control
for speed control
Brown
Blue
BlueBlue
Motor
Brown
Mains switch
Overload
protection
Brown
Blue
Yellow
and
Green
Selector
switch