EasyManua.ls Logo

Honda EXT12D - Page 58

Honda EXT12D
63 pages
Print Icon
To Next Page IconTo Next Page
To Next Page IconTo Next Page
To Previous Page IconTo Previous Page
To Previous Page IconTo Previous Page
Loading...
58
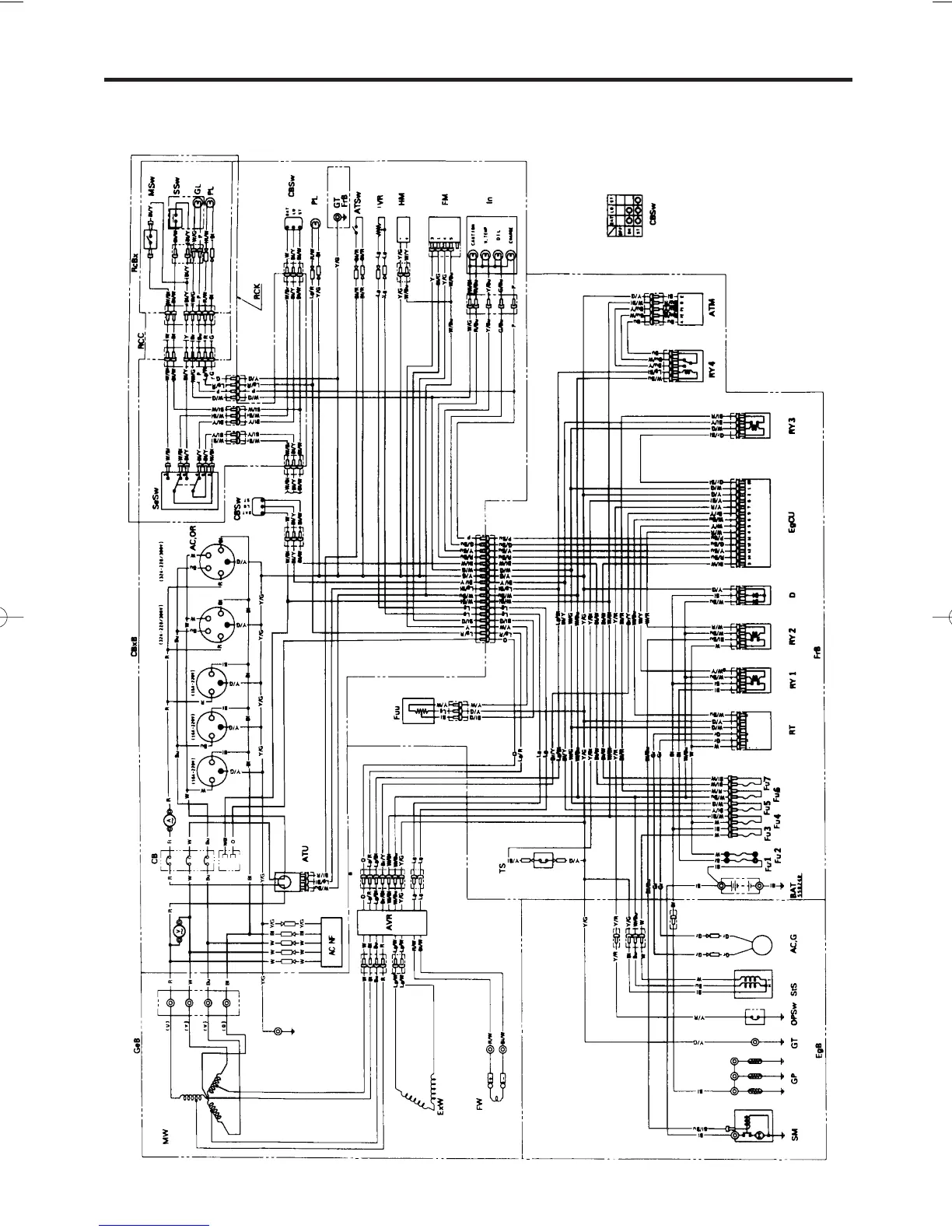
EXT12D (F, G and GW Types)
06/03/10 13:23:42 32ZC6612_062

Related product manuals