EasyManua.ls Logo

Honda EXT12D - Page 59

Honda EXT12D
63 pages
Print Icon
To Next Page IconTo Next Page
To Next Page IconTo Next Page
To Previous Page IconTo Previous Page
To Previous Page IconTo Previous Page
Loading...
59
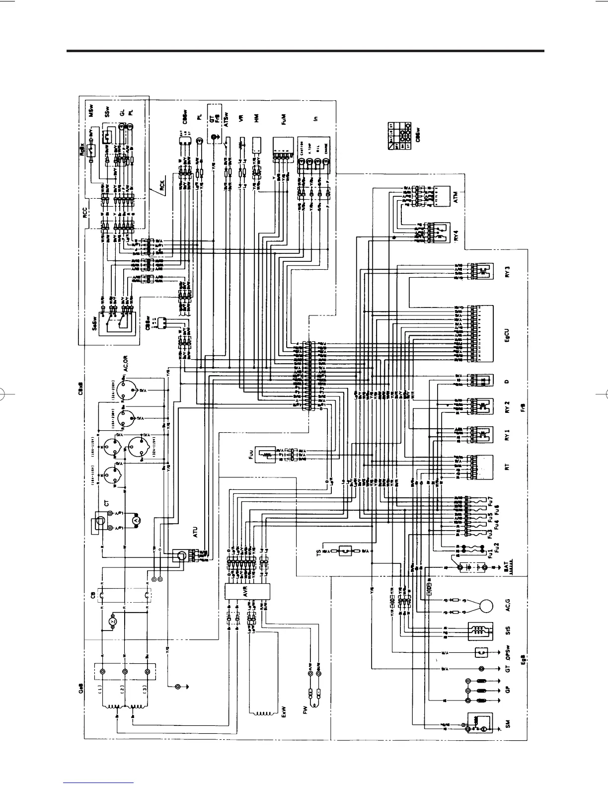
EX10D (B Type)
06/03/10 13:23:57 32ZC6612_063

Related product manuals