EasyManua.ls Logo

HP 330 - Power Distribution

HP 330
94 pages
Print Icon
To Next Page IconTo Next Page
To Next Page IconTo Next Page
To Previous Page IconTo Previous Page
To Previous Page IconTo Previous Page
Loading...
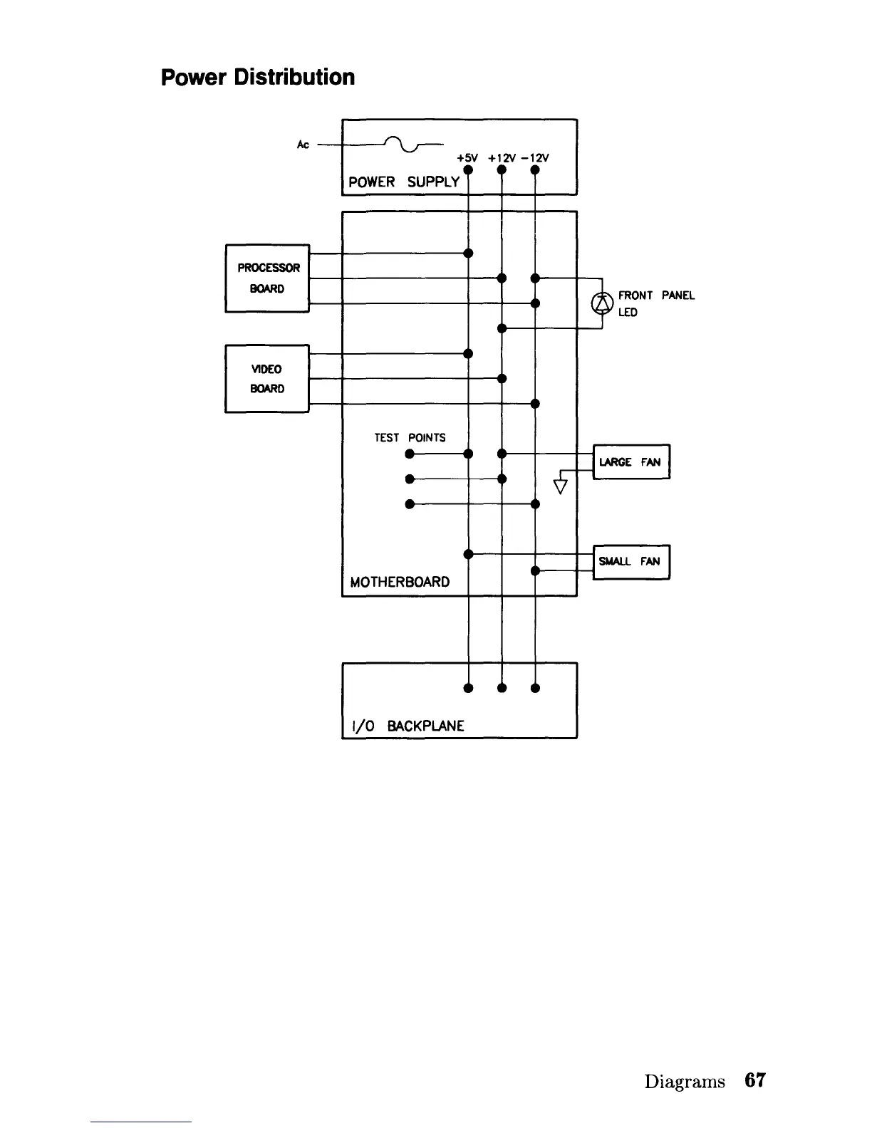
Power Distribution
Ac
+5V +12V
-12V
l~
It
It
POWER
SUPPLY
PROCESSOR
BOARD
,fRONT
P
LED
ANEL
VIDEO
BOARD
TEST
POINTS
-
~
LARGE
FAN
I
-
-
7
-
-
-
MOTHERBOARD
I SMALl fAN I
.~
.~
l~
I/O
BACKPLANE
Diagrams 67

Table of Contents

Other manuals for HP 330

Related product manuals