EasyManua.ls Logo

HP OFFICEJET PRO X476

HP OFFICEJET PRO X476
270 pages
To Next Page IconTo Next Page
To Next Page IconTo Next Page
To Previous Page IconTo Previous Page
To Previous Page IconTo Previous Page
Loading...
추가 정보
이러한 환경 프로그램 관련 정보는 다음 웹사이트를 참조하십시오.
이 제품 및 기타 관련 HP 제품에 대한 환경 사양 자료
HP 의 환경 보호 정신
HP 의 환경 관리 시스템
HP 의 폐품 반환 및 재활용 프로그램
물질안전보건자료(MSDS)
www.hp.com/go/environment 또는 www.hp.com/hpinfo/globalcitizenship/environment
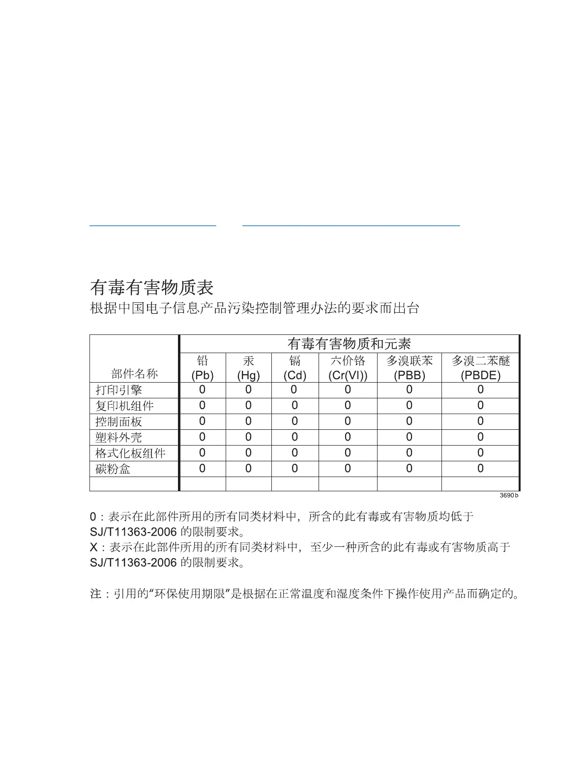
물질표(중국)
위험 물질 사용 제한 규정(터키)
Türkiye Cumhuriyeti: EEE Yönetmeliğine Uygundur
232
부록 D 환경 친화적 제품 관리 프로그램 KOWW

Table of Contents

Other manuals for HP OFFICEJET PRO X476

Related product manuals