EasyManua.ls Logo

HP Z238

HP Z238
91 pages
To Next Page IconTo Next Page
To Next Page IconTo Next Page
To Previous Page IconTo Previous Page
To Previous Page IconTo Previous Page
Loading...
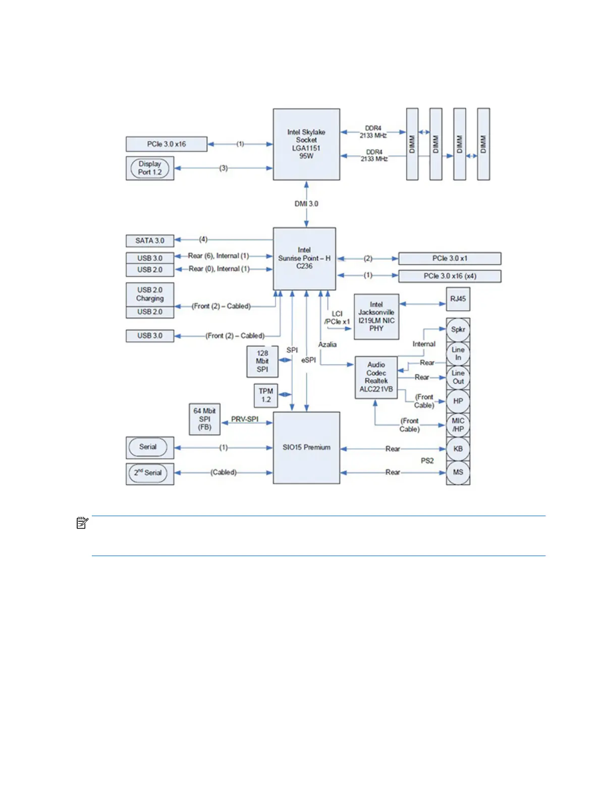
System board architecture
NOTE: The PCIe designators indicate the mechanical connector size and number of electrical PCIe lanes
routed to an expansion slot. For example, x16(4) means that the expansion slot is mechanically a x16 length
connector, with 4 PCIe lanes supported.
6 Chapter 1 Hardware overview

Table of Contents

Other manuals for HP Z238

Related product manuals