EasyManua.ls Logo

Hsun hs700atv - Lighting System; Meterand Signal System

Hsun hs700atv
100 pages
Print Icon
To Next Page IconTo Next Page
To Next Page IconTo Next Page
To Previous Page IconTo Previous Page
To Previous Page IconTo Previous Page
Loading...
90
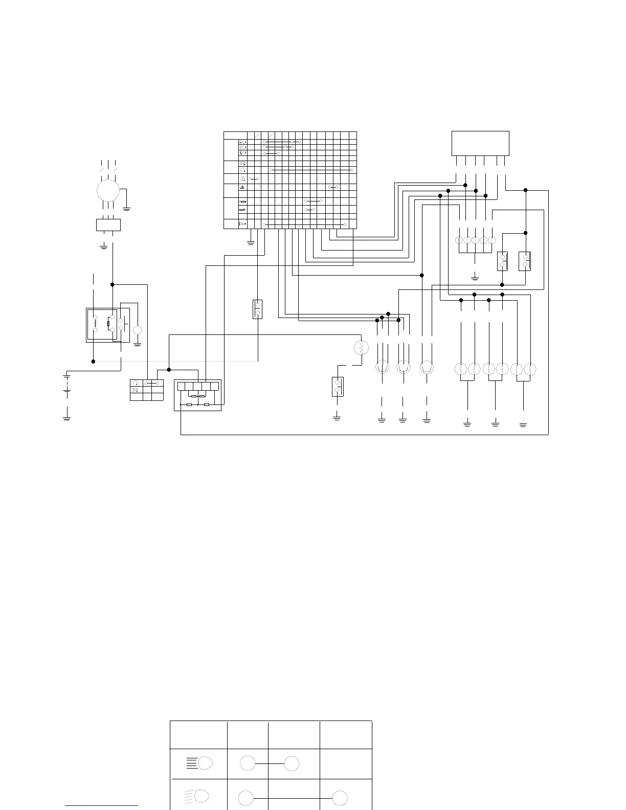
5.4: Lighting system
the key diagram of illumination system
5.5 Meterand signal system
Operation and working way
1、 Headlight
Headlight Switch
green
yellow
/ red
function
yellow
oil
temperature
indicator
light
left
right
turn
indicator
light
rearleft
right
turn
light
black
blackblack
black
blackblack
green
yellow
/green
function
fast
and
near
light
swith
dark
green
yellow
/red
yellow
gray
red
yellow
/green
black
black
blue
black
green
blue
red
/white
light
green
dark
brown
green
/red
green
/black
flashing
relay
battery
12V 12Ah
black
brown
/ blue
red
1function
switch
;10A(signal
; 25A( Ignition
;5A2.4
draver
;25Afrontlight
biue
/black1
red
red
/white
red
/ brown
brown
/blue
yelow
/red
brown
blue/white
M
M
B
15A
black
red1
yellow
yellow
/green
blue
yellow2
green
yellow
12V 18W
black
12V 1. 7W
oil
temperature
switch
front
light
1
purple
front left
right
turn
light
12V 18W
12V 5W/21W
12V 10W
front
light
2
rearlight/ brakelight
starting
button
dark
green
dark
green
dark
brown
dark
brown
meter
indicator
light
black
12V 3W
rear
brake
switch
front
brake
switch
stating
switch
magneto
rectification
regulator
white
white
white
horn
switch
turnning
switch
urgnt
switgh
OFF
OFF
OFF
green
/red
blue
dark
brown
dark
green
yellow
green
/red
green
/black
dark
brown
dark
green
gray
brown
white
green
white
red
red2
whole safety box