EasyManua.ls Logo

Huawei EMMA Pro - Page 20

Huawei EMMA Pro
63 pages
Print Icon
To Next Page IconTo Next Page
To Next Page IconTo Next Page
To Previous Page IconTo Previous Page
To Previous Page IconTo Previous Page
Loading...
EMMA-A01: Only PV and ESS features are supported. Plant-level power
control functions, such as maximum self-consumption and grid-tied point
control, are supported for unied scheduling of home energy and plant-level
energy optimization, further improving the PV energy utilization.
EMMA-A02: Features of PV, ESSs, smart chargers, and smart loads are
supported. In addition to unied scheduling of home energy, the EMMA-A02
can connect to smart loads such as chargers, SG Ready heat pumps, and
smart switches. Users can set the reservation time to charge vehicles and
heat water in advance at the specied time. In addition, users can set the
priority to use PV energy for devices as required to make the best use of PV
energy.
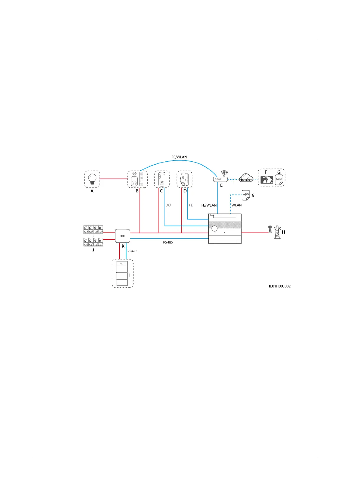
Figure 2-2 Networking diagram (using the EMMA-A02 as an example)
(A) Power load (B) Smart switch (C) SG Ready heat pump
(D) Charger (E) Router (F) FusionSolar Smart PV
Management System
(SmartPVMS)
(G) FusionSolar app (H) Power grid (I) ESS
(J) PV string (K) Inverter (L) EMMA
The networking is described as follows:
The preceding gure uses the EMMA-A02 as an example. The EMMA-A01
cannot connect to smart electrical devices such as chargers, SG Ready heat
pumps, and smart switches.
Inverters connect to the EMMA over RS485. A maximum of three inverters can
be connected in parallel.
The EMMA is connected to the router through the FE or WLAN port.
EMMA-(A01, A02)
User Manual 2 Product Description
Issue 05 (2024-01-19) Copyright © Huawei Digital Power Technologies Co., Ltd. 14

Related product manuals