EasyManua.ls Logo

Huawei EMMA Pro - Preparing Cables

Huawei EMMA Pro
63 pages
Print Icon
To Next Page IconTo Next Page
To Next Page IconTo Next Page
To Previous Page IconTo Previous Page
To Previous Page IconTo Previous Page
Loading...
5.1 Preparing Cables
NO TICE
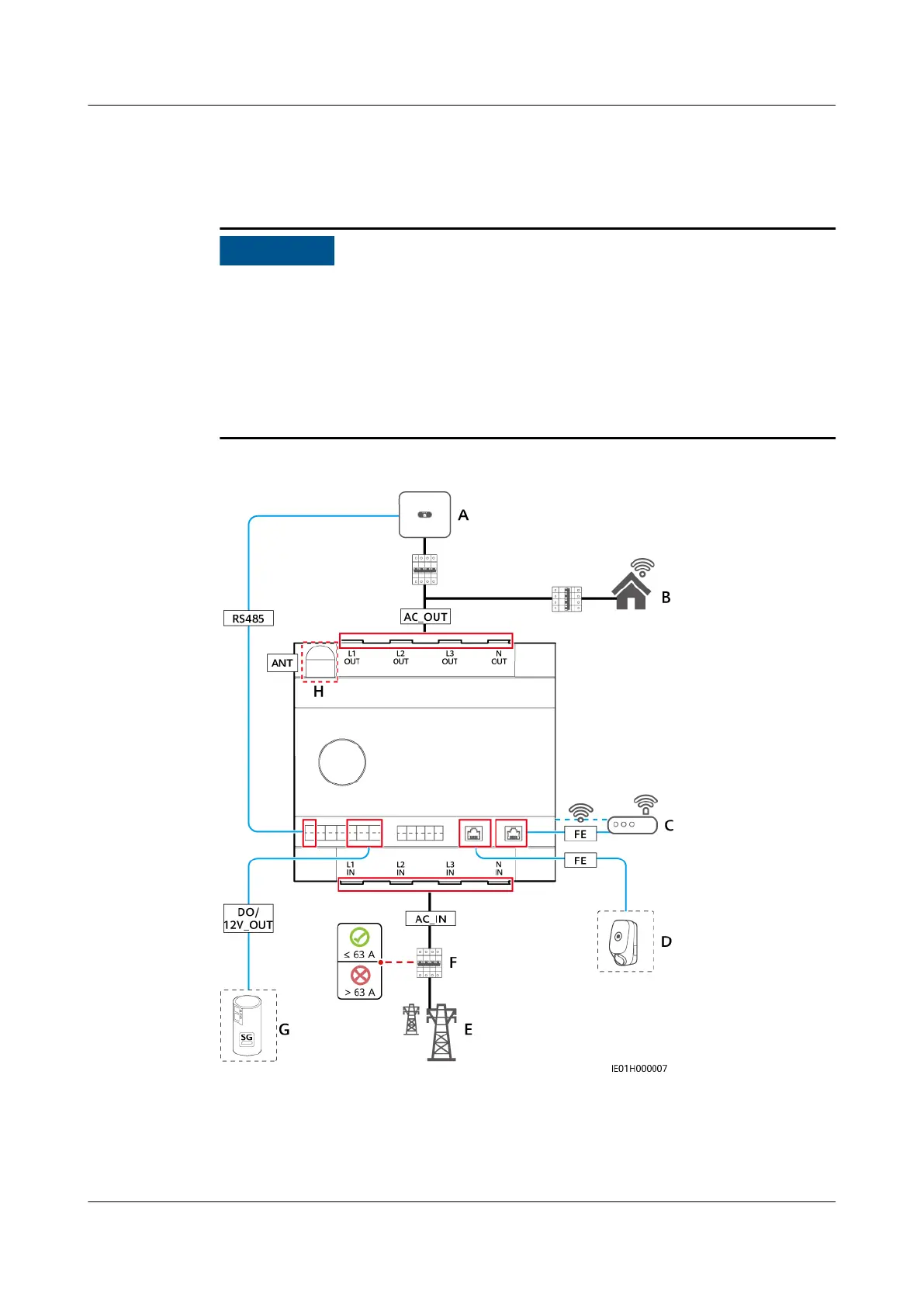
This document uses the EMMA-A02 as an example to describe electrical
connections. The EMMA-A01 supports only the PV and ESS features. Therefore,
do not connect signal cables of chargers, heat pumps, and other intelligent
electrical equipment to the EMMA.
The minimum cable cross-sectional area must meet local standards.
The factors to be considered in cable selection include the rated current, cable
type, routing mode, ambient temperature, and maximum acceptable line loss.
Figure 5-1 Cable connection diagram: internal CT connection (current ≤ 63 A)
EMMA-(A01, A02)
User Manual 5 Electrical Connections
Issue 05 (2024-01-19) Copyright © Huawei Digital Power Technologies Co., Ltd. 26

Related product manuals