EasyManua.ls Logo

Huawei RRU - Figure 3-18 Cable Connections of One RRU Without the SRXU

Huawei RRU
100 pages
Print Icon
To Next Page IconTo Next Page
To Next Page IconTo Next Page
To Previous Page IconTo Previous Page
To Previous Page IconTo Previous Page
Loading...
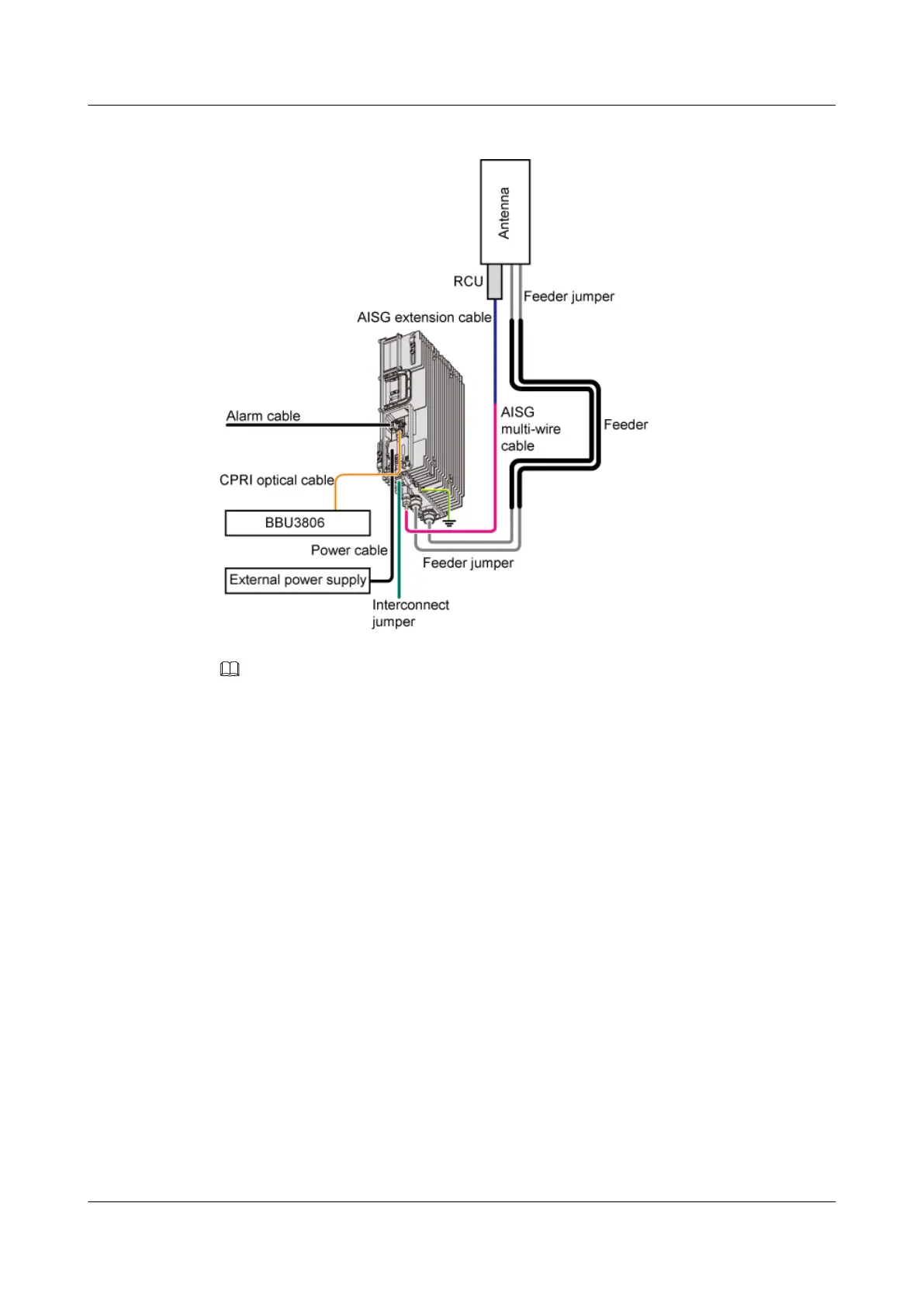
Figure 3-18 Cable connections of one RRU without the SRXU
NOTE
l When one RRU is installed, the PGND cable is connected to the grounding bolt on the RRU module.
l The AISG multi-wire cable connects the RRU to the RCU. When the distance between the RRU and
the RCU is too long, the AISG extension cable is used between the AISG multi-wire cable and the
RCU.
l The antenna jumper directly connects the RRU to the antenna. When the distance between the RRU
and the antenna is longer than 14 m, the feeder is required.
3 Installing RRU and SRXU Hardware
RRU
User Guide
3-20 Huawei Proprietary and Confidential
Copyright © Huawei Technologies Co., Ltd
Issue 01 (2008-04-18)

Table of Contents

Other manuals for Huawei RRU

Related product manuals