EasyManua.ls Logo

Huawei RRU3232 - Installation Clearance for Multiple Rrus

Huawei RRU3232
95 pages
Print Icon
To Next Page IconTo Next Page
To Next Page IconTo Next Page
To Previous Page IconTo Previous Page
To Previous Page IconTo Previous Page
Loading...
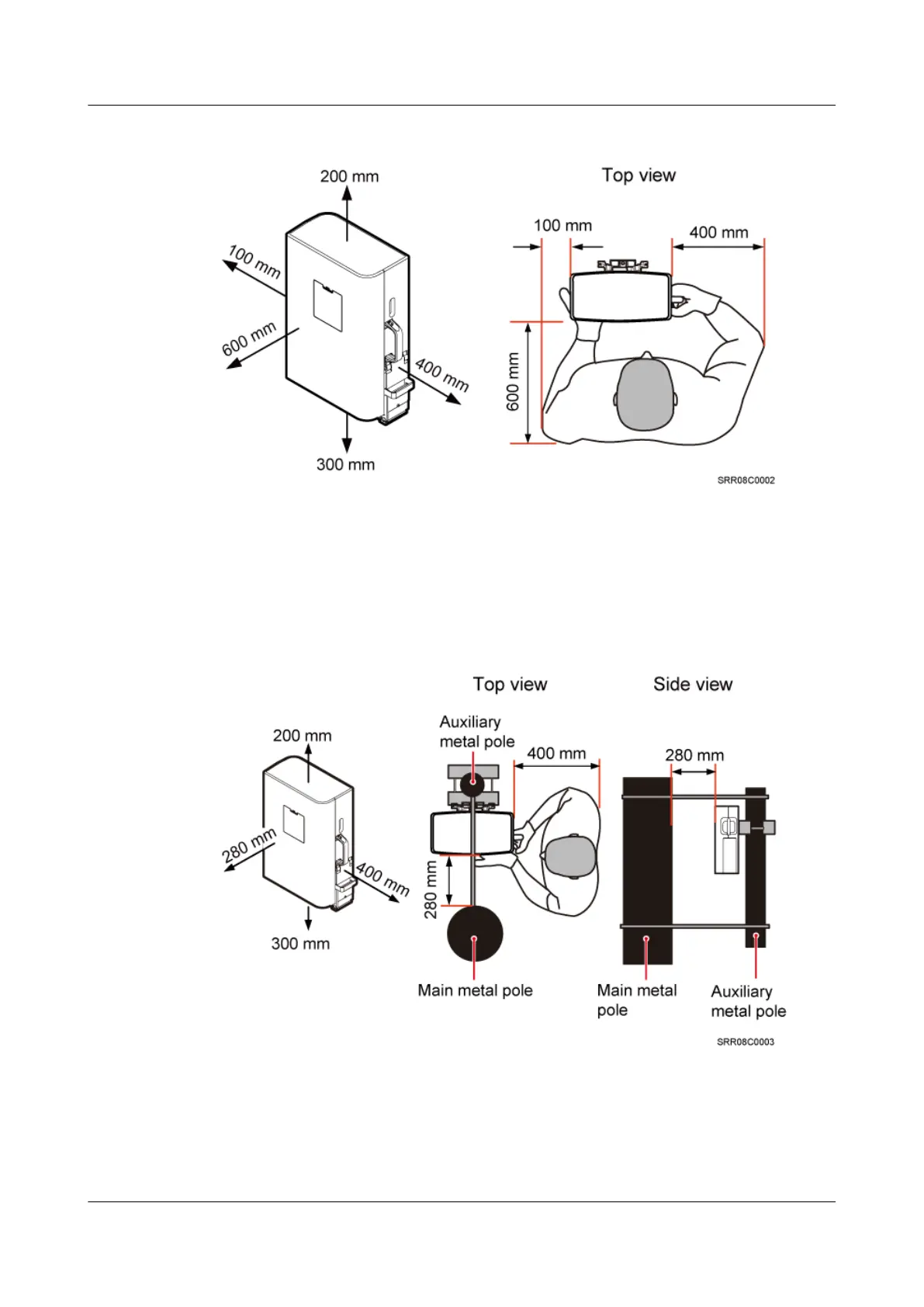
Figure 3-14 Minimum installation clearance for a single RRU
Minimum Installation Clearance for a Single RRU Installed on a Tower
Figure 3-15 shows the minimum installation clearance for a single RRU installed on a tower.
Figure 3-15 Minimum installation clearance for a single RRU installed on a tower
3.5.2 Installation Clearance for Multiple RRUs
This section describes the recommended and minimum installation clearance for multiple RRUs.
RRU3232
Installation Guide 3 Information About the Installation
Issue 05 (2011-10-20) Huawei Proprietary and Confidential
Copyright © Huawei Technologies Co., Ltd.
18

Related product manuals