EasyManua.ls Logo

Hussmann FNGSC-A - Page 15

Hussmann FNGSC-A
54 pages
Print Icon
To Next Page IconTo Next Page
To Next Page IconTo Next Page
To Previous Page IconTo Previous Page
To Previous Page IconTo Previous Page
Loading...
P/N 3141959_C 2-3
HUSSMANN CORPORATION • BRIDGETON, MO 63044-2483 U.S.A.
FNGSC-A Self Contained Merchandisers
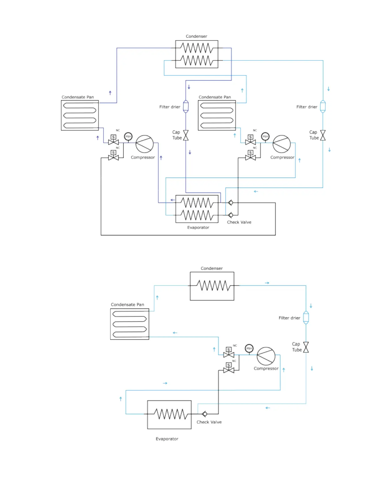
System Diagram Refrigeration Mode (FNGSC6A)
System Diagram Refrigeration Mode (FNGSC4A)

Related product manuals