EasyManua.ls Logo

Hycontrol MINIFLEX LR - Analogue Programming Chart

Hycontrol MINIFLEX LR
76 pages
Print Icon
To Next Page IconTo Next Page
To Next Page IconTo Next Page
To Previous Page IconTo Previous Page
To Previous Page IconTo Previous Page
Loading...
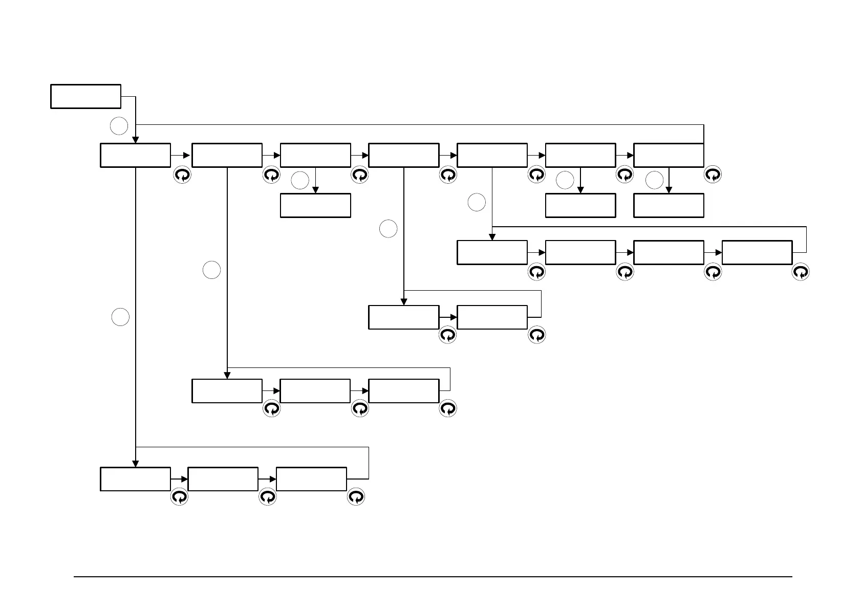
MINIFLEX LR PROGRAMMING CHARTS APPENDIX 7
No
9.0 Edit
Pump No
9.1 PumpSequence
(Alternate 1&2 )
9.2 Duty Standby
(Duty Assist)
9.3 Exerciser
(0000)
9.4 Tolerance
(No Tolerance)
9.5 Maintenance
(All pumps in)
9.6 RunOnIntervl
(0.00)
9.7 Run On Time
(0000)
ENT
Yes
ENT
9.4.1
No Tolerance
ENT
9.5.1 All Pumps
In
9.4.2
Tolerance On
9.6.1 In hours
0.00
ENT
9.5.2 Pump 1
Drop out
9.7.1 In seconds
0000
ENT
9.5.3 Pump 2
Drop out
9.5.4 Pump 3
Drop out
9.3.1 NoOfStarts
0000
ENT
9.2.1 Duty
Assist
9.2.2 Duty
Standby 1 & 2
9.2.3 Duty
Standby 1,2 & 3
9.1.1 Off 9.1.2 Alternate
pumps 1 & 2
9.1.3 Alternate
pumps 1,2 & 3
ENT
ENT
Ref: MINIFLEX LR MANUAL Rev. 0 71

Related product manuals