EasyManua.ls Logo

Hydro-Pro Hydro-Pro+Premium 7 - Page 153

Hydro-Pro Hydro-Pro+Premium 7
202 pages
Print Icon
To Next Page IconTo Next Page
To Next Page IconTo Next Page
To Previous Page IconTo Previous Page
To Previous Page IconTo Previous Page
Loading...
6 ANNEXES
35
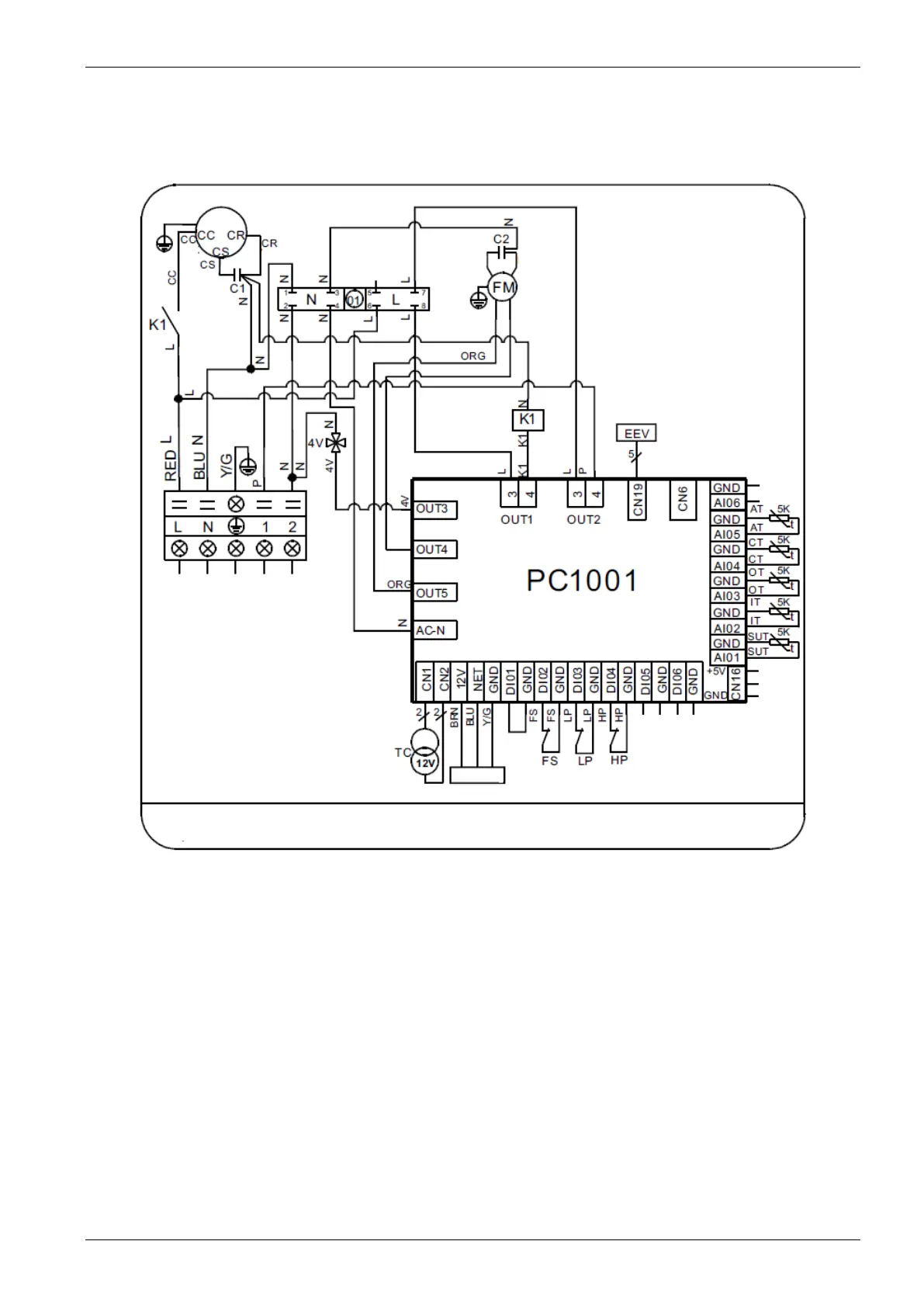
6.7. Annexe 7
Diagramme du circuit Hydro-Pro+Premium 10
AT
:
température ambiante
COMP
:
compresseur
CT
:
température de la bobine
EEV :
vanne d'expansion
électronique
FM
:
moteur du ventilateur
FS
:
contacteur débitmétrique
HP
:
protection contre la haute
pression
IT :
température de l'eau à l'entrée
K1
:
relais du compresseur
LP
:
protection contre la basse
pression
OT
:
température de l'eau à la
sortie
SUT :
température de succion
TC
:
transformateur
4V
:
vanne à 4 voies
Vers la
pompe
VERS
L'ALIMENTATION
ÉLECTRIQUE
220 V-240 V~/50 Hz
Contrôleur
WHT
RED
BLK
BLU
RED
Hydro-Pro + Premium 10
COMP
RED

Table of Contents

Related product manuals