EasyManua.ls Logo

Hydro-Pro Hydro-Pro+Premium 7 - Page 155

Hydro-Pro Hydro-Pro+Premium 7
202 pages
Print Icon
To Next Page IconTo Next Page
To Next Page IconTo Next Page
To Previous Page IconTo Previous Page
To Previous Page IconTo Previous Page
Loading...
6 ANNEXES
37
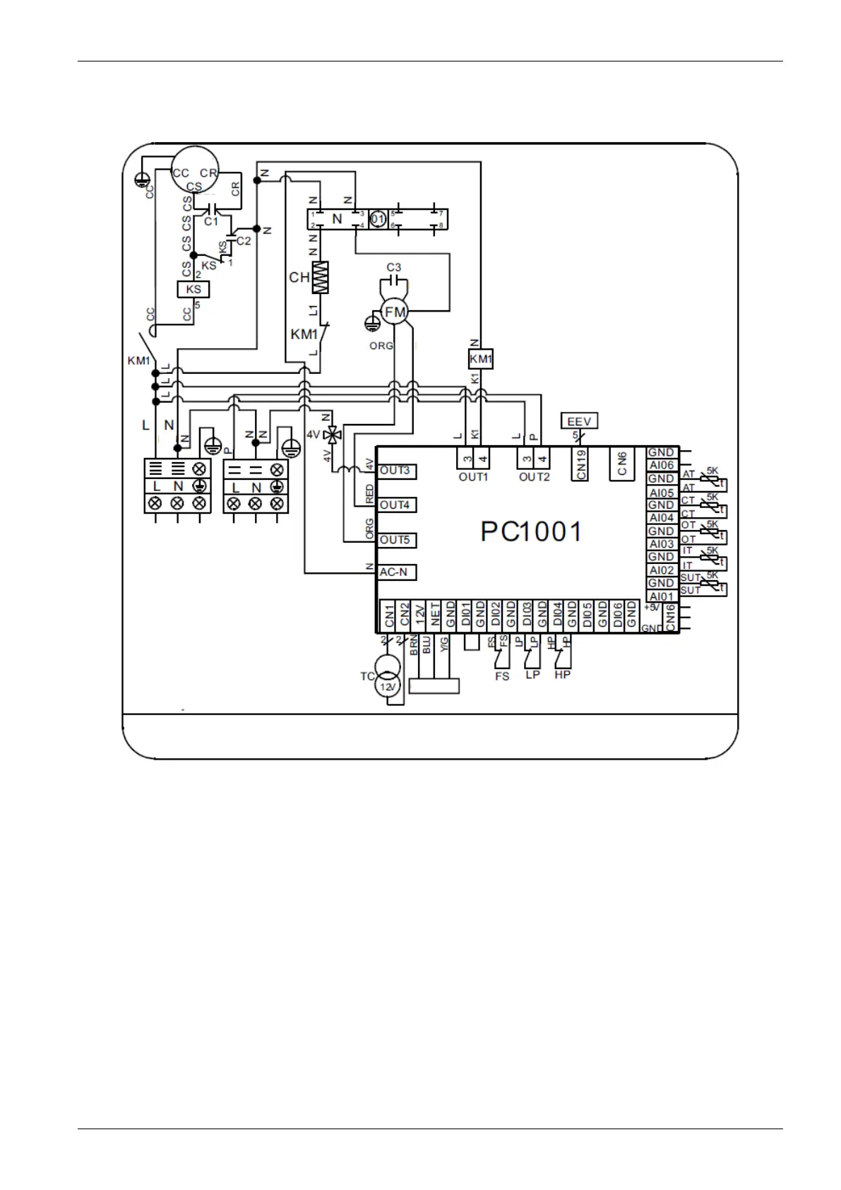
6.9. Annexe 9
Diagramme du circuit Hydro-Pro+Premium 19
AT :
température ambiante
CH
:
dispositif de chauffage du
compresseur
COMP
:
compresseur
CT
:
température de la bobine
EEV :
vanne d'expansion
électronique
FM
:
moteur du ventilateur
FS :
contacteur débitmétrique
HP
:
protection contre la haute
pression
IT :
température de l'eau à l'entrée
KM1 :
contacteur du compresseur
LP :
protection contre la basse
pression
OT
:
température de l'eau à la sortie
SUT :
température de succion
TC
:
transformateur
4V :
vanne à 4 voies
VERS LA
POMPE
VERS
L'ALIMENTATION
ÉLECTRIQUE
220 V-240 V~/50 Hz
Contrôleur
WHT
RED
BLK
BLU
Hydro-Pro + Premium 19
COMP
RED
BLK
WHT
BLU
RED

Table of Contents

Related product manuals