EasyManua.ls Logo

Hydro-Pro Hydro-Pro+Premium 7 - Page 26

Hydro-Pro Hydro-Pro+Premium 7
202 pages
Print Icon
To Next Page IconTo Next Page
To Next Page IconTo Next Page
To Previous Page IconTo Previous Page
To Previous Page IconTo Previous Page
Loading...
6 APPENDIX
24
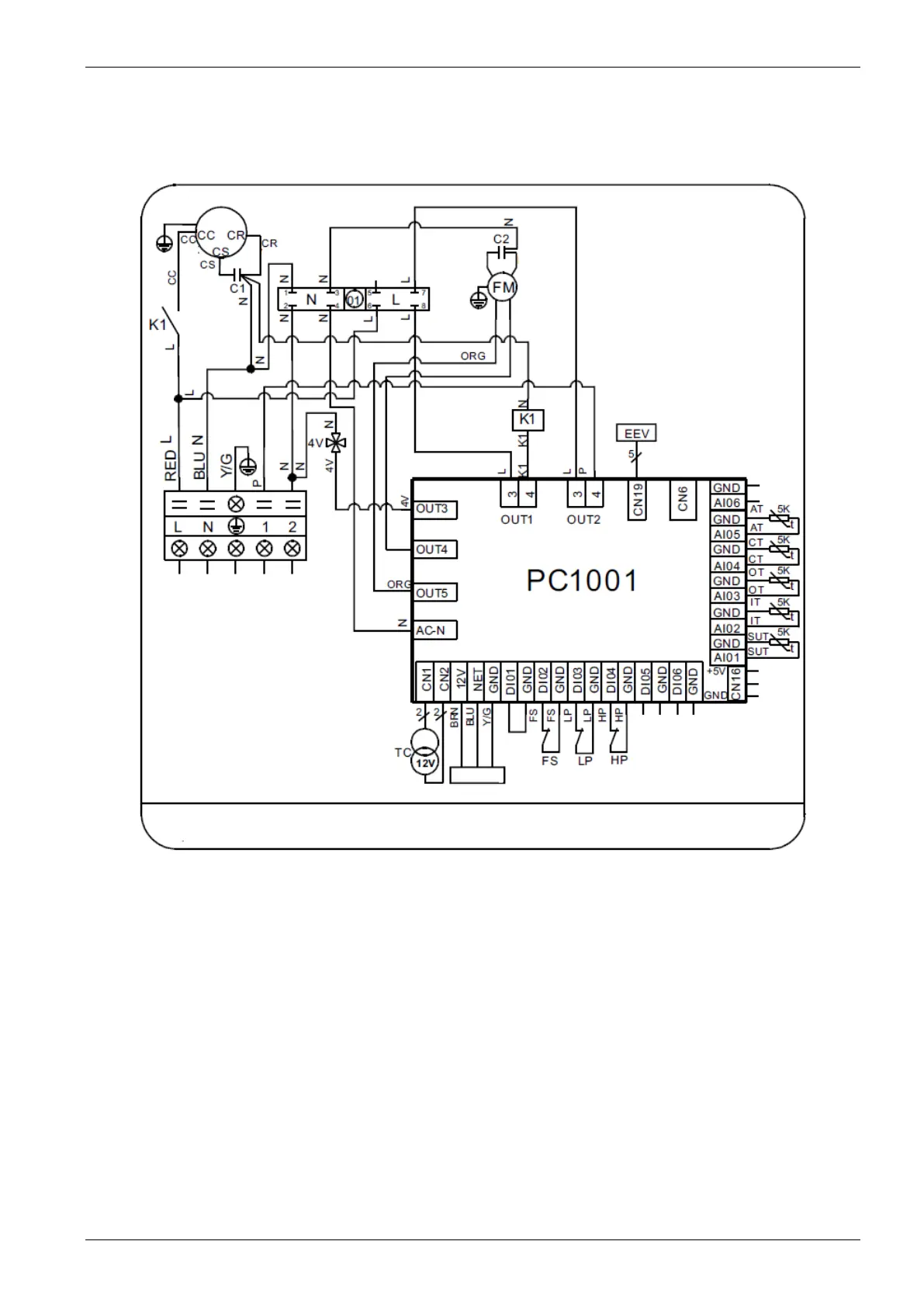
6.7. Appendix 7
Circuit diagram Hydro-Pro+Premium 10
AT:
Ambient temperature
COMP:
Compressor
CT:
Coil temperature
EEV:
Electronic expand valve
FM:
Fan motor
FS:
Flow switch
HP:
High pressure protection
IT:
Inlet water temperature
K1:
Relay of compressor
LP:
Low pressure protection
OT:
Outlet water temperature
SUT:
Suction temperature
TC:
Transformer
4V:
4 way valve
To pump
TO POWER
SUPPLY
220V-240V~/50Hz
Controller
WHT
RED
BLK
BLU
RED
Hydro-Pro + Premium 10
COMP
RED

Table of Contents

Related product manuals