EasyManua.ls Logo

Hydro-Pro Hydro-Pro+Premium 7 - Page 28

Hydro-Pro Hydro-Pro+Premium 7
202 pages
Print Icon
To Next Page IconTo Next Page
To Next Page IconTo Next Page
To Previous Page IconTo Previous Page
To Previous Page IconTo Previous Page
Loading...
6 APPENDIX
26
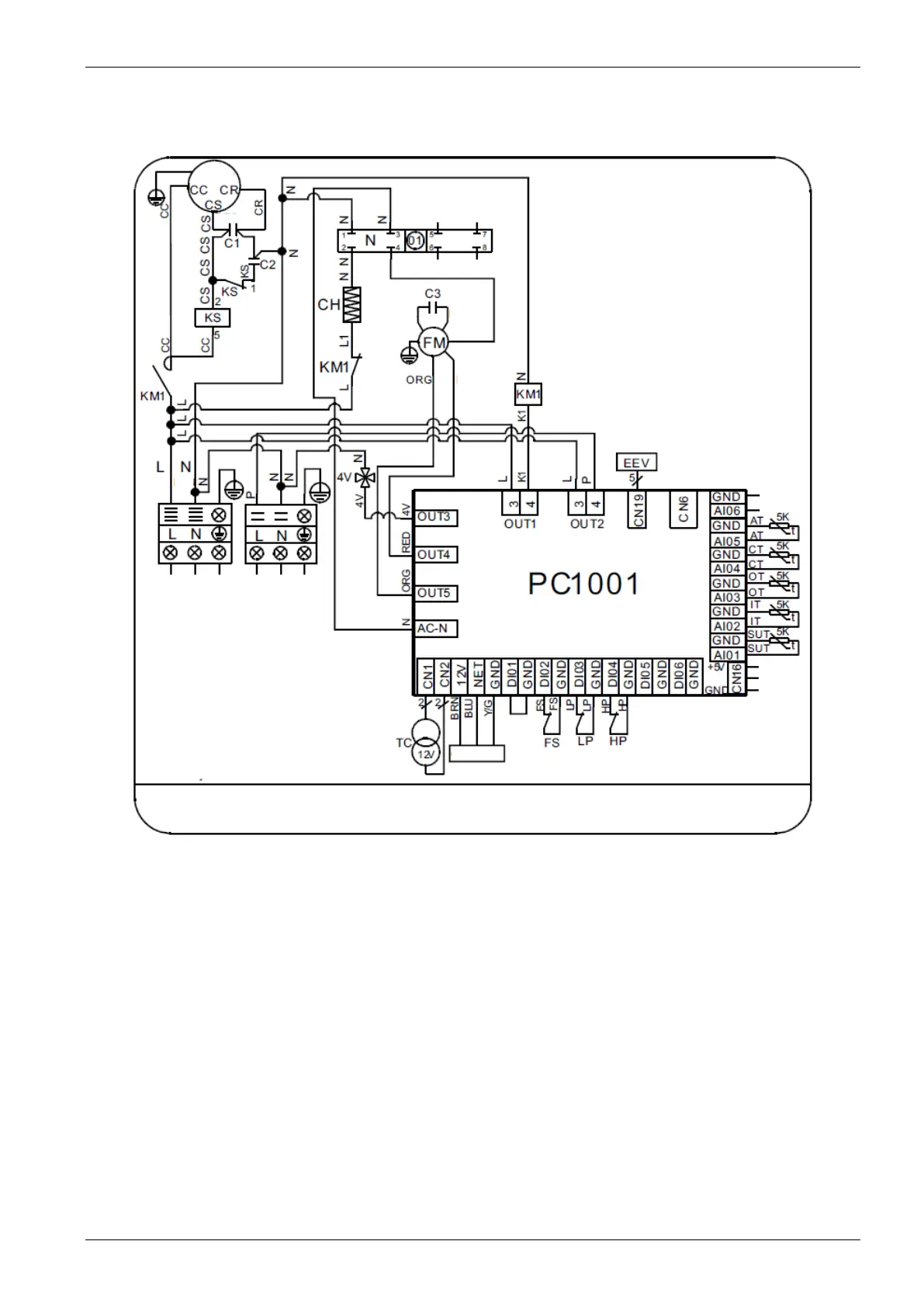
6.9. Appendix 9
Circuit diagram Hydro-Pro+Premium 19
AT:
Ambient temperature
CH:
Compressor heater
COMP:
Compressor
CT:
Coil temperature
EEV:
Electronic expand valve
FM:
Fan motor
FS:
Flow switch
HP:
High pressure protection
IT:
Inlet water temperature
KM1:
Contactor of compressor
LP:
Low pressure protection
OT:
Outlet water temperature
SUT:
Suction temperature
TC:
Transformer
4V:
4 way valve
TO PUMP
TO POWER SUPPLY
220V-240V~/50Hz
Controller
WHT
RED
BLK
BLU
Hydro-Pro + Premium 19
COMP
RED
BLK
WHT
BLU
RED

Table of Contents

Related product manuals