EasyManua.ls Logo

Hypertherm HyPerformance HPR400XD Auto Gas - Page 294

Hypertherm HyPerformance HPR400XD Auto Gas
355 pages
Print Icon
To Next Page IconTo Next Page
To Next Page IconTo Next Page
To Previous Page IconTo Previous Page
To Previous Page IconTo Previous Page
Loading...
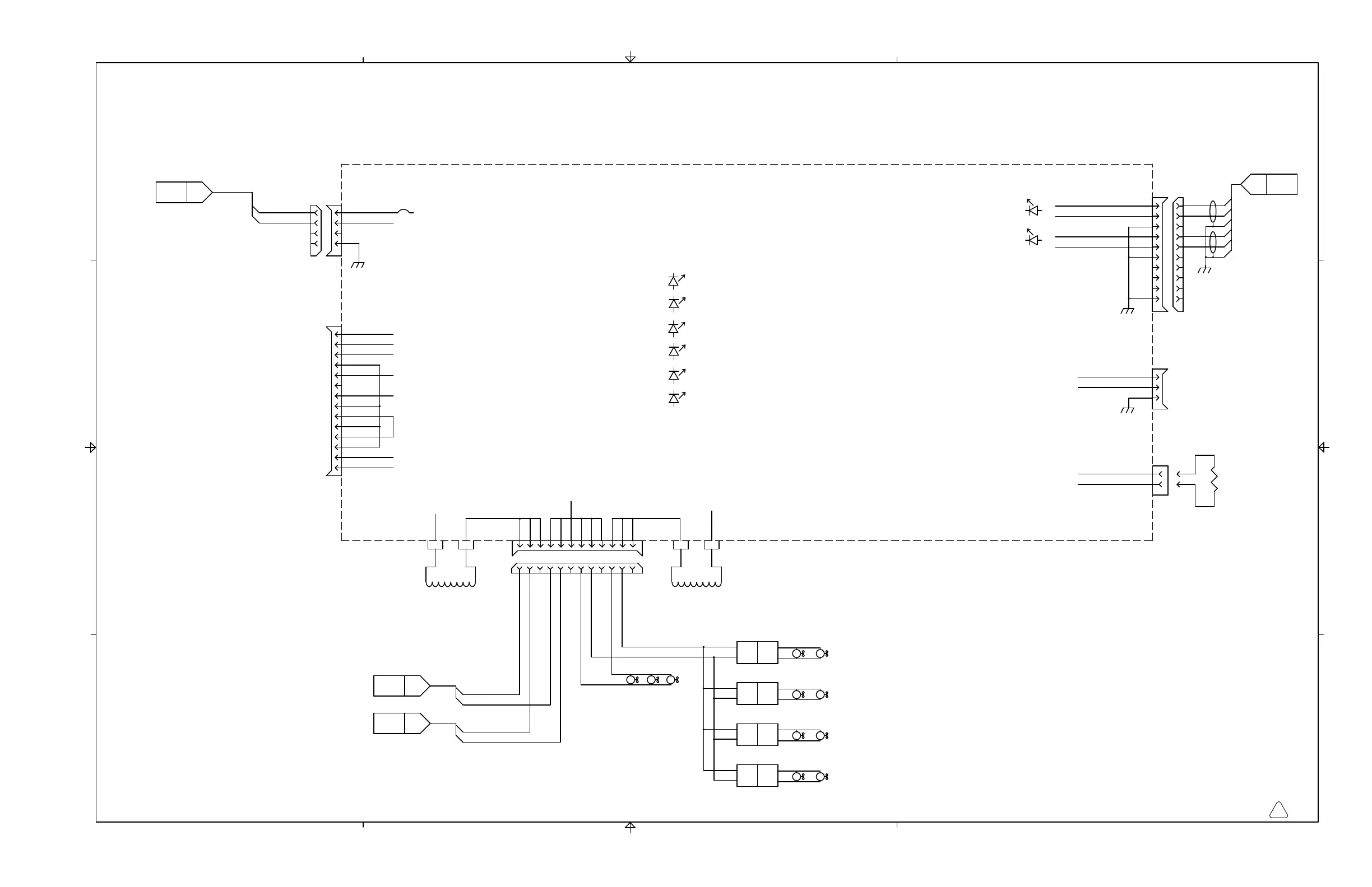
7-11
141027
PUMP MOTOR DRIVE CONTROLLER
PCB7
14
13
12
11
10
8
9
7
5
6
4
2
3
1
J9
2
1
J7.8
J8
BLK
WHT
ACIN1
ACIN2
TMS
TRST\
TDI
COM
+5V
TDO
TCK
EMU0
EMU1
JTAG
J7.10
6
8
7
3
5
4
2
1
J11
FAULTOUT\
BLK
RED
RED
CLR
PUMP ENABLE/ALARM
CLR
BLK
J1
21 3 4 5 6
J7.1
4
CB1
10
9
240VAC OUT
120VAC
AC RTRN
WHT
BLK
BLK
WHT
FAN 2
CHP
FAN 1
CHP
MAGNETICS
PUMPEN\ - A
RED/BLK
RED
1
2
J16
1
2
FAN 3
1
1
J17
2
2
FAN 4
CHP
CHP
FAN 7
FAN 5
J19
1
2
1
2
1
1
J18
2
2
FAN 8
CHP
CHP
FAN 6
CHP
CHP
7 8 119 10 12
FANS
PUMPEN\ - C
F+5V
2
3
J11
1
PUMPAC1
PUMPAC2
PUMP MOTOR PWR
COOLER FAN PWR
RED/BLK
RED
3
A+3.3V
THMS-
2.5mH
6A
2.5mH
6A
2
J6
1
RT2
PUMP
MOTOR
DRIVE
HEATSINK
A
B
C
4
3 2
D
4
3 2
1
A
B
C
1
D
D1
D10
+15V
+5V
D36
D35
D16
D30
+3.3V
OUTPUT OVER CURRENT
D31 HEAT SINK OVERTEMP
D32 IPM ALARM
J2J3 J5 J4
t
0
SHEET
6-D1
AY
SHEET
19-A4
P
SHEET
19-A4
W
SHEET
3-D1
U
ELEC SCH:HPR400XD POWER SUPPLY W/AUTO
F
013374
SHEET 7 OF 24

Table of Contents

Related product manuals