EasyManua.ls Logo

Hyster A970 - Battery Restraint System

Hyster A970
27 pages
Print Icon
To Previous Page IconTo Previous Page
To Previous Page IconTo Previous Page
Loading...
Battery Restraint System
WARNING
The hood latch mechanism and battery restraint
system must operate correctly before a lift truck
is operated.
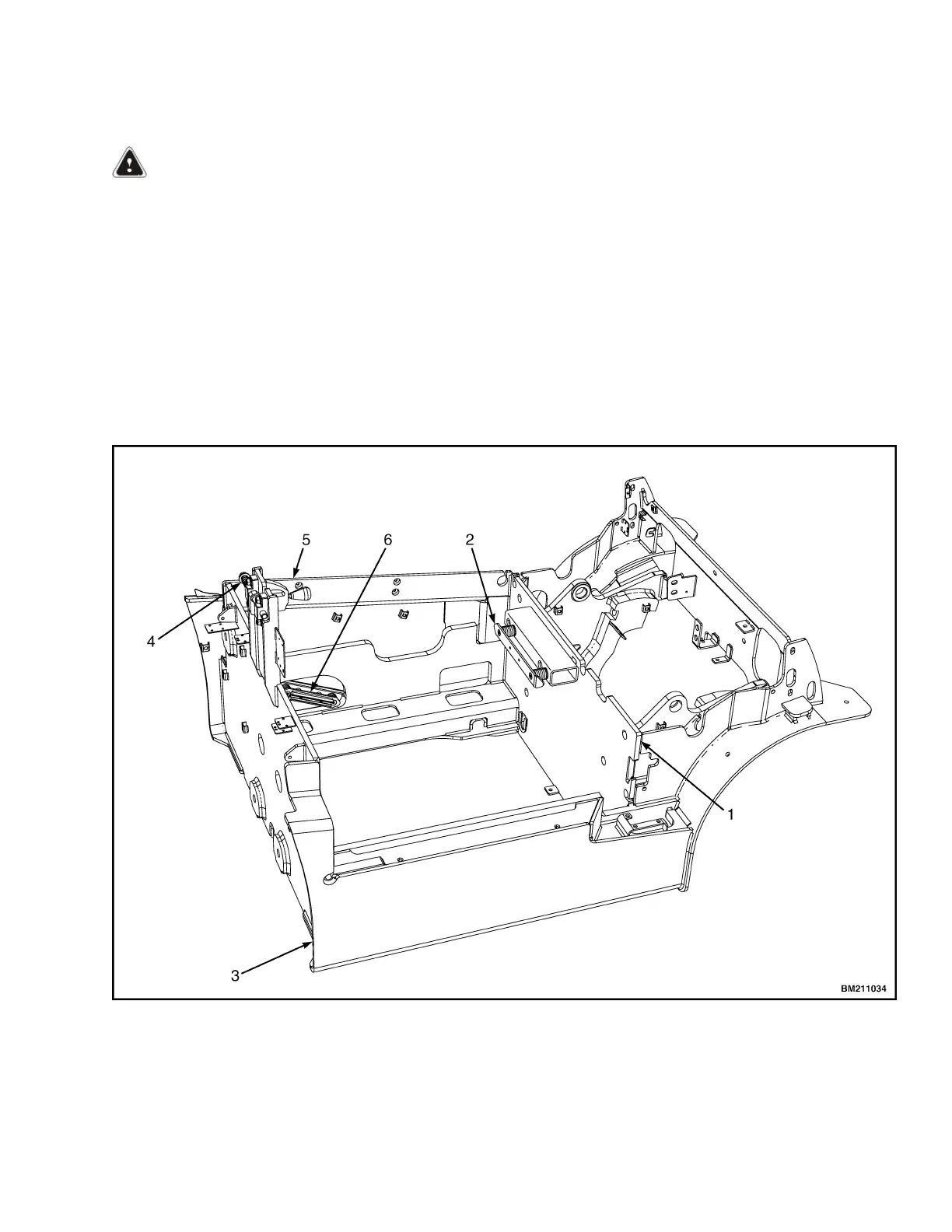
The battery restraint system is made up of a front
and side spacer plates, the battery retention pin
and the right and left side battery covers that help
prevent the battery from moving side-to-side. See
Figure 12.
The front and side spacer plates are adjustable.
The front spacer plate helps prevent the battery
from moving forward and backward.
The side spacer plate helps prevent side-to-side
movement of the battery. The retention pin helps to
prevent the battery from falling out of the battery
compartment if a tipover occurs.
The battery restraint system must function so that
the operator restraint system can operate correctly.
Operation of the battery restraint system requires
that the maximum movement allowed for the bat-
tery is 13 mm (0.50 in.) in any horizontal direction.
This will reduce the risk of operator injury in a
truck tipover. Batteries for this series of lift trucks
must all have the same length dimension to just fit
the battery compartment width. For correct battery
sizes, see the Operating Manual.
1. FRONT BULKHEAD
2. FRONT SPACER PLATE
3. RH FRAME CHANNEL
4. RETENTION PIN
5. LH FRAME CHANNEL
6. SIDE SPACER PLATE
Figure 12. Standard Battery Restraint System
8000 SRM 1541 Maintenance Procedures Every 8 Hours or Daily
19

Related product manuals