EasyManua.ls Logo

IBC SL 35-199

IBC SL 35-199
76 pages
To Next Page IconTo Next Page
To Next Page IconTo Next Page
To Previous Page IconTo Previous Page
To Previous Page IconTo Previous Page
Loading...
6-7
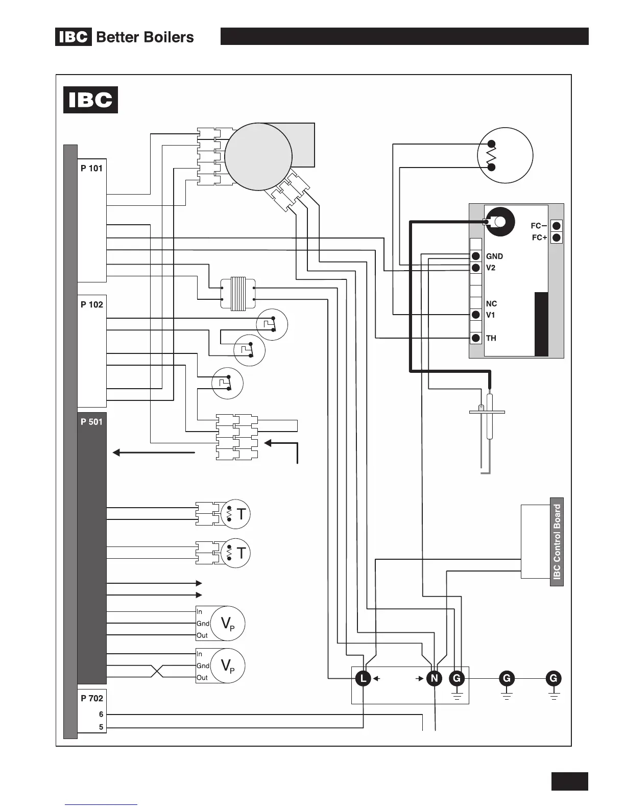
DIAGRAMS
SL 35-199, SL 45-260 MODULATING GAS BOILERS
Diagram 6.2-2: Internal wiring diagram
FENWAL
TB1
9
10
Better
Boilers
yellow
blue
24 Vac
120 Vac
orange
100-013A
2 x plug
Mains
Power Supply
Electrode
5 x plug
3 x plug
and Flame
Sensing Rod
Assembly
Spark
yellow
black
black
red
black
white
blue
VS Out 0-10VDC
brown
INTERNAL WIRING DIAGRAM
Gas
Valve
Combustion
Fan
Replacement internal wiring
must meet or exceed the
ratings of the wiring supplied
from the factory.
green
blue
brown
orange
green
Transformer
green
green
white
white
black
black
Vent High
Limit
Switch
Upper Vessel
High Limit
Switch
Water
High Limit
Switch
white
yellow
black
yellow
red
white
red
white
white
white
white
white
black
yellow
yellow
black
black
black
blue
orange
orange
blue
red
blue
Air Differential
Prsssure
Sensor
Inlet Water
Prsssure
Sensor
green
white
black
white
black
yellow
To Boiler Pump
green green
Grounded
to case
Inlet Water
Temperature
Sensor
Outlet Water
Temperature
Sensor
2 x plug
blue
3
4
7
9
15
2
1
orange
1
2
4
3
5
6
22
13
23
12
27
28
34
33
32
6
5
4
21
14
IBC Control Board
4 x plug
Remove jumper plug to
install optional LWCO kit.
See manual for details.
To install optional vent
temperature sensor,
available on some models.
See manual for details.
120Vac

Other manuals for IBC SL 35-199

Related product manuals