EasyManua.ls Logo

IFM Electronic Efector 300 SI1007 - Montage

IFM Electronic Efector 300 SI1007
Print Icon
To Next Page IconTo Next Page
To Next Page IconTo Next Page
To Previous Page IconTo Previous Page
To Previous Page IconTo Previous Page
Loading...
L'appareil est adaptable à différents types de raccords process (adap-
tateurs à commander séparément comme accessoires).
Attention: Ne pas monter lappareil dans une raccord pour failbe
débit.
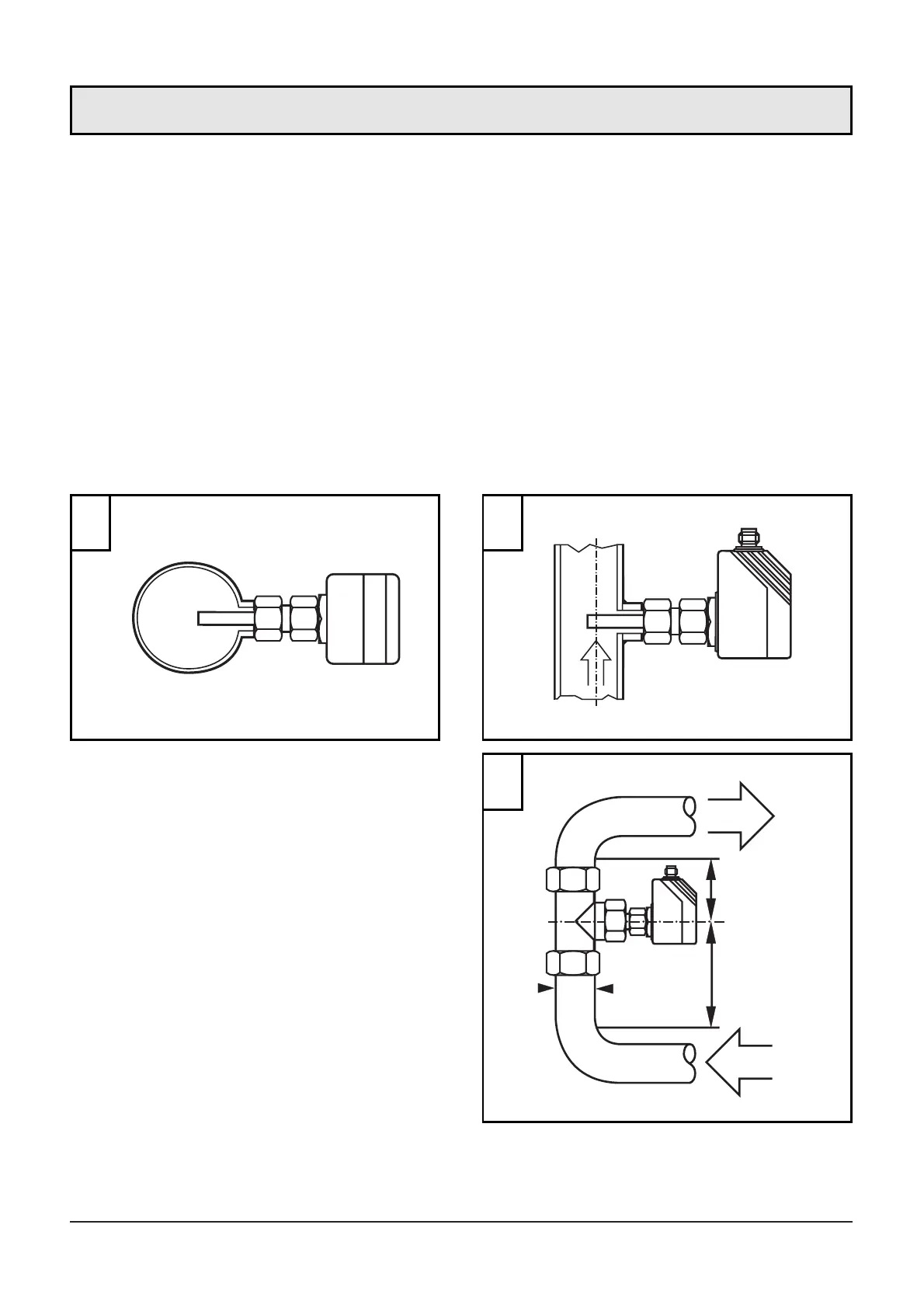
Dans le cas des tubes horizontaux monter l'appareil latéralement, si
possible (fig. 1).
Lorsque l'appareil est monté par le bas le tube doit être dégagé de
dépôts. Lorsque l'appareil est monté par le haut le tube doit être
rempli entièrement du fluide à surveiller.
Dans le cas des tubes verticaux nous recommandons deffectuer le
piquage là où le fluide monte (fig. 2).
Afin d’éviter un mauvais fonc-
tionnement une distance mini-
mum doit être respectée entre la
sonde et les coudes, vannes,
changements de section, etc.
Min. 5 x diamètre de la cana-
lisation en amont (A),
min. 3 x diamètre de la canali-
sation en aval (B).
Les illustrations ci-dessus indiquent les règles de montage à respecter
pour un meilleur fonctionnement.
42
D
A
B
min.
5 x D
min.
3 x D
1 2
3
Montage